EasyManua.ls Logo

Winterwarm TR10 - Diagram Tr100-150

Winterwarm TR10
27 pages
Print Icon
To Next Page IconTo Next Page
To Next Page IconTo Next Page
To Previous Page IconTo Previous Page
To Previous Page IconTo Previous Page
Loading...
Instructions condensing Air heaters type XR version XR-GB-4001-a
Page 24/27
20K@25°C
22°C
L
N
F1
20K@25°C
20K@25°C
J9- 1
J9- 3
J9- 2
J9- 4
J6- 1
J6- 8
J6- 2
J6- 9
J6- 3
J6- 10
J6- 4
J6- 11
J6- 5
J6- 12
J6- 6
J6- 13
J7- 1
J7- 2
J7- 3
J7- 4
J7- 5
J7- 6
J7- 7
J7- 8
J7- 9
J7- 10
J12- 1
J12- 4
J12- 2
J12- 5
J12- 3
J12- 6
J8- 1
J8- 2
J6- 7
J6- 14
T1
J2- 1..6
J1- 1
J1- 5
J1- 2
J1- 6
J1- 3
J1- 7
J1- 4
J1- 8
J3- 2
J3- 6
J3- 1
J3- 7
J3- 3
J3- 8
J3- 4
J3- 9
J3- 5
J3- 10
J4- 2
J4- 3
J4- 5
J4- 4
J4- 1
J4- 6
J5- 1
J5- 2
J5- 4
J5- 3
4 3
1
2
J25
LED RESET
4
3
1
2
4
3
1
2
K1.1
PE
N
L
5
4
J17
N
L
N
L
~
~
+
-
Rect.
7
6
dP
L on/off
K1
11
12
RT
dT dT
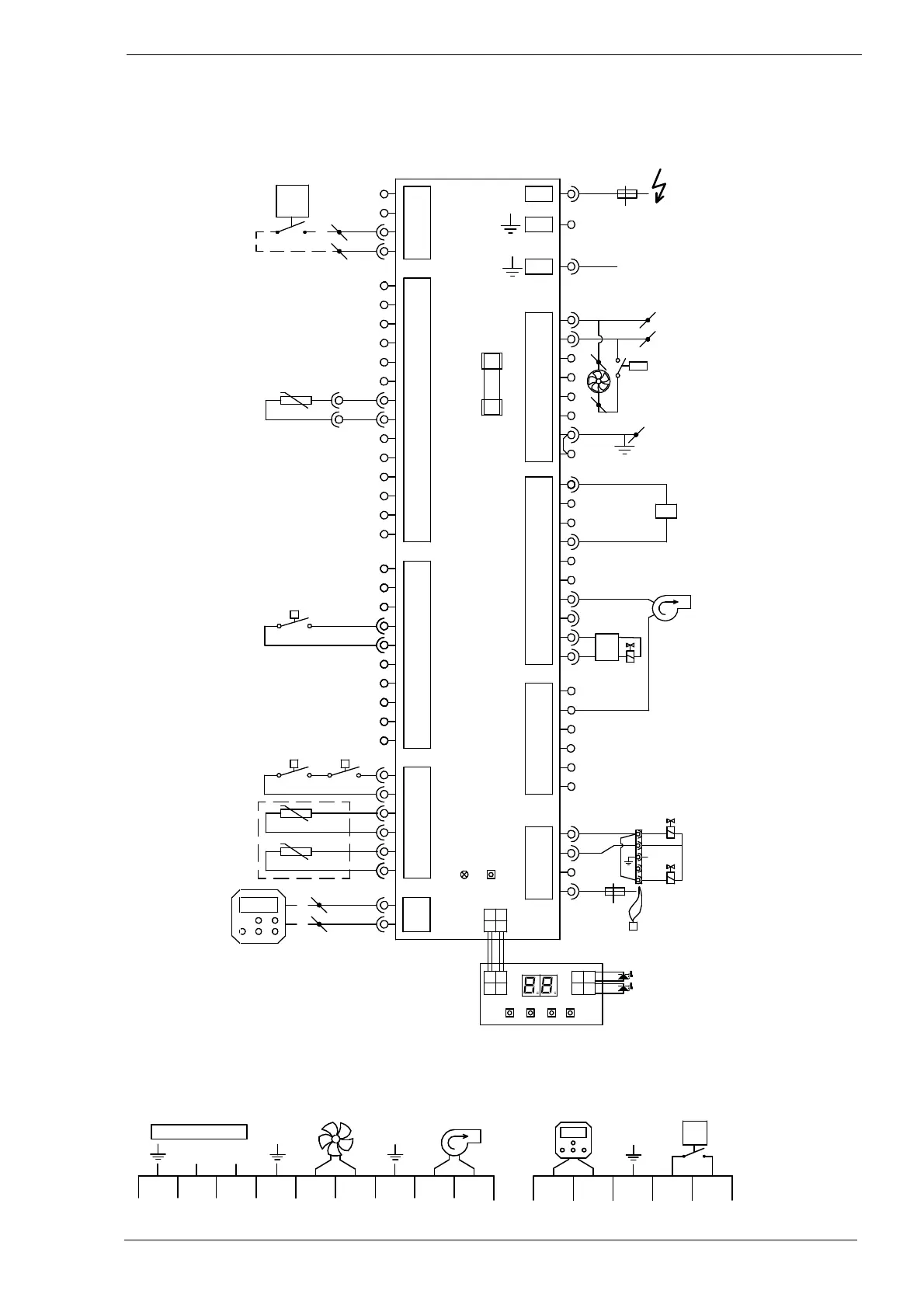
11.2 Diagram TR100-150
Ignition
MAINS supply
Neutral
Line (230Vac)
Ground
System Fan
Flue fan
Rectifier
gas valve
High / Low
Gas valve
Ionisation
Display +
LED’s (optional)
ON / OFF
thermostat
(optional)
Delta T sensor
Pressure switch
Thermal cut-out
Switch
(axial versions only)
Temperature Sensor
Heat exchanger
Modulating
Thermostat
Electrical
Connections:
7
4
PE
LN
5
6
RT
N
L
230 Vac
LN
11 12
22°C
13
14
N
L

Other manuals for Winterwarm TR10

Related product manuals