EasyManua.ls Logo

Witt GP 41 - Page 15

Witt GP 41
49 pages
Print Icon
To Next Page IconTo Next Page
To Next Page IconTo Next Page
To Previous Page IconTo Previous Page
To Previous Page IconTo Previous Page
Loading...
- Technical data - 14
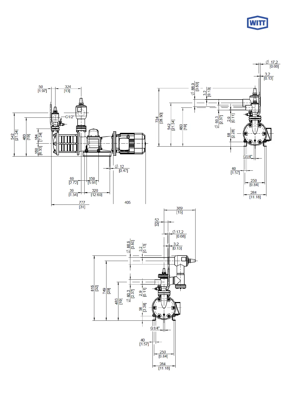
4.5.3 Dimensions GP 82
All dimensions in mm (inch)

Related product manuals