EasyManua.ls Logo

Worcester 28i RSF - Sealed System; Open Vent System

Worcester 28i RSF
40 pages
Print Icon
To Next Page IconTo Next Page
To Next Page IconTo Next Page
To Previous Page IconTo Previous Page
To Previous Page IconTo Previous Page
Loading...
7.1 The system must comply with the requirements of BS 6798
and BS 5449 and the appliance must not be operated without
the system being full of water, properly vented and pressurised.
7.2 The pressure relief valve operates at 3 bar (45lb/in
2
). The
discharge must be directed away from electrical components or
where it might be a hazard to the user.
7.3 The pressure gauge indicates the system pressure which
must be maintained.
7.4 The 8 litre expansion vessel is charged to 0.5 bar and is
suitable for a static head of 5 metres (17.5ft). The pressure can be
increased if the static head is greater than 5 metres (17.5ft).
7.5 With an initial system pressure of 0.5 bar, a system capacity
of up to 100 litres can be accommodated. For system capacities
greater than this an extra expansion vessel must be fitted. Refer
to BS 7074 Pt. 1 for more information. The charge pressure can
be increased but with a consequent decrease in system volume.
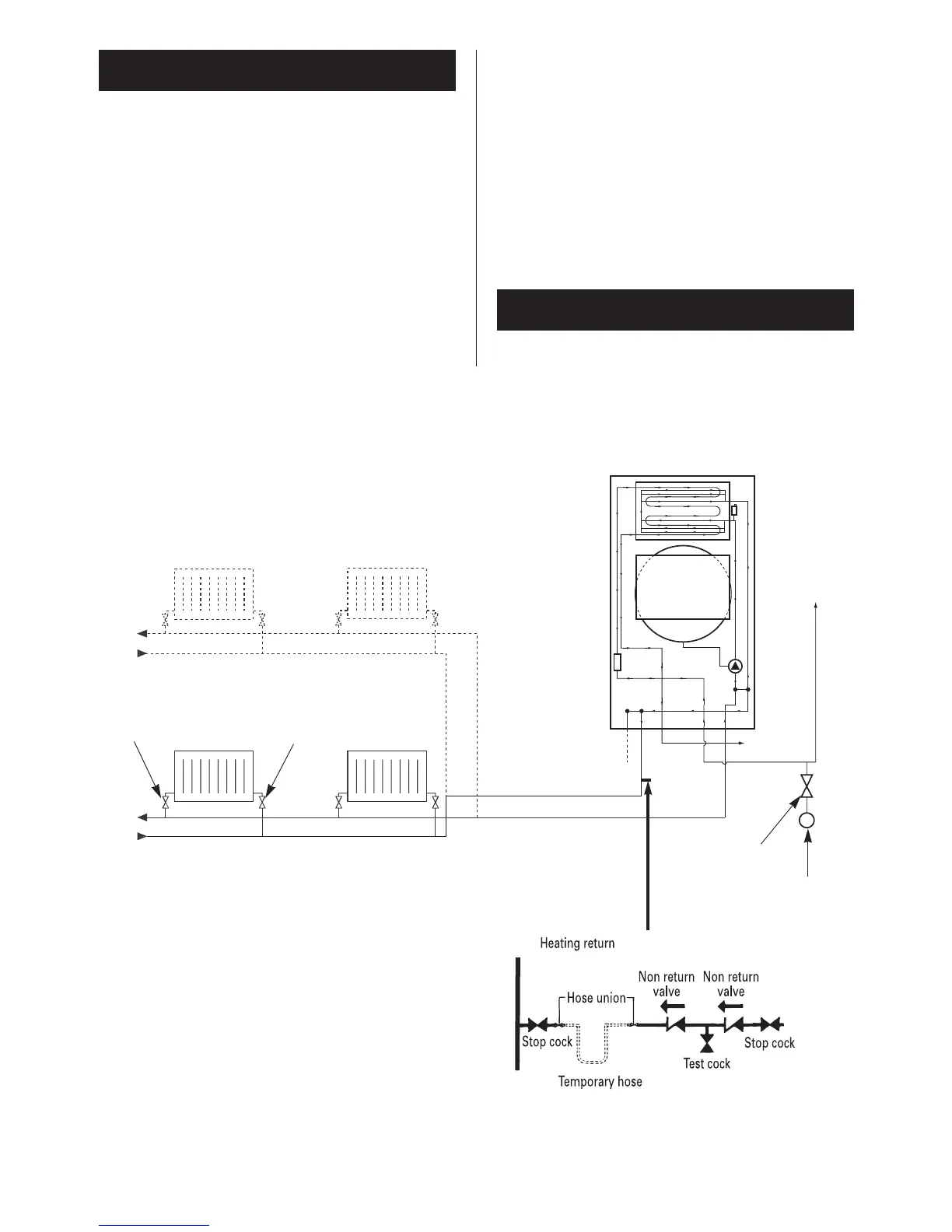
7.6 The filling point must be at low level. Refer to Fig. 8.
7.7 Water loss must be replaced. See Fig 4. The connection
should be made in the central heating return as close to the
appliance as possible. A filling loop kit is supplied.
7.8 Repeated venting loses water from the system. It is essential
that this water is replaced and the system pressure maintained.
7.9 Connections to the mains water supply must not be made
without the authority of the local Water Company.
7.10 The pump is set at maximum and should not be adjusted.
7.11 Connections in the system must sustain a pressure of up to
3 bar.
7.12 Radiator valves must conform to BS 2767:10.
7.13 Other valves used should conform to the requirements of
BS 1010.
7.14 The appliance is fitted with a fixed internal by-pass. But it is
advisable to keep one radiator permanently open.
The appliance is
NOT suitable for connection to an open vented
system.
8. Open Vent System
8
Fig. 8. Sealed primary water system.
Hot water
out
Water main
Heating
return
Heating
flow
Radiator
valve
Lockshield
valve
Mains cold
water
British Standard
stop valve.
Fixed spindle type
NOTE: A drain cock should be installed at
the lowest point of the heating circuit and
beneath the appliance.
Refer to
Fig. 2.
7. Sealed System

Table of Contents

Related product manuals