EasyManua.ls Logo

XCMG XE210C - Hydraulic System Schematic

XCMG XE210C
154 pages
Print Icon
To Next Page IconTo Next Page
To Next Page IconTo Next Page
To Previous Page IconTo Previous Page
To Previous Page IconTo Previous Page
Loading...
XE210C Hydraulic Excavator Operating and Maintenance Manual 147
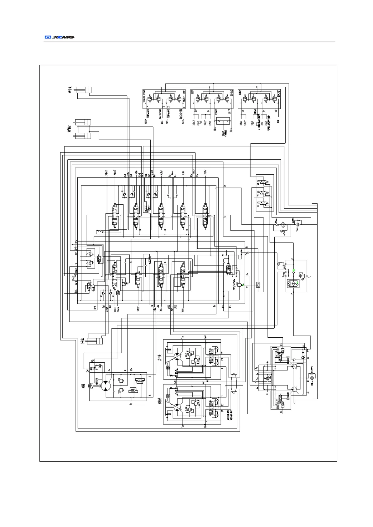
Hydraulic System Schematic

Table of Contents

Related product manuals