EasyManua.ls Logo

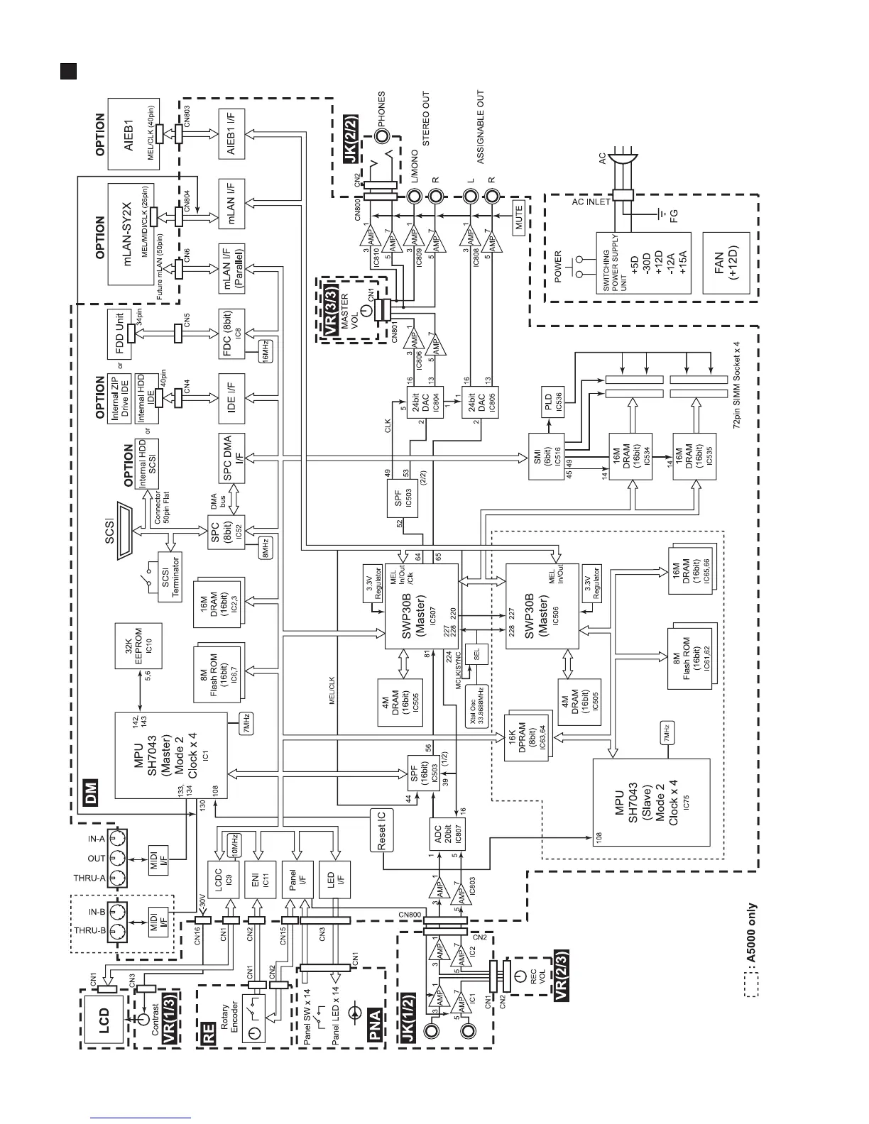
Yamaha A5000 - Block Diagram

Yamaha A5000
61 pages
Print Icon
To Next Page IconTo Next Page
To Next Page IconTo Next Page
To Previous Page IconTo Previous Page
To Previous Page IconTo Previous Page
Loading...
A5000/A4000
6
BLOCK DIAGRAM
28CA1-8815099

Related product manuals