EasyManua.ls Logo

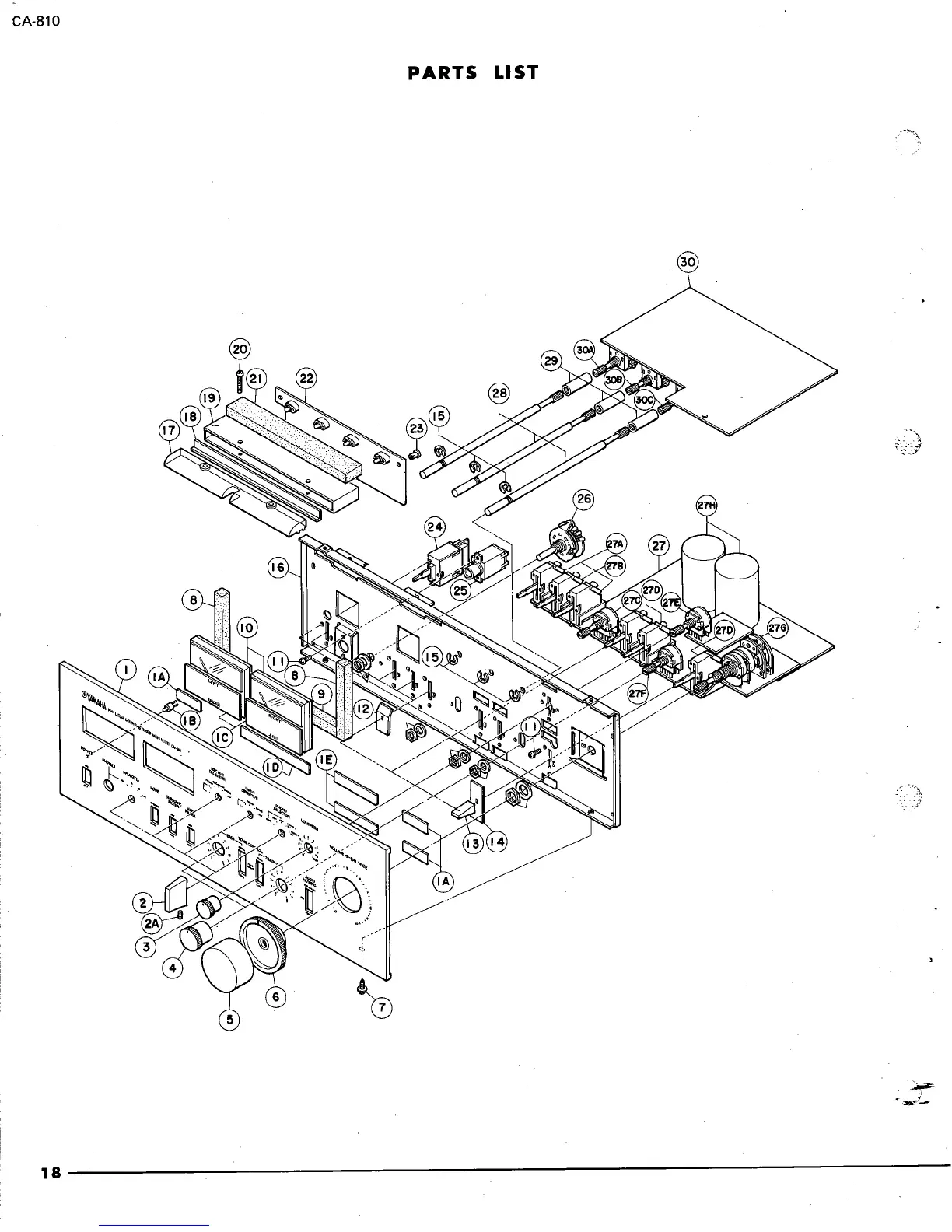
Yamaha CA-810 - Parts List

Yamaha CA-810
21 pages
Print Icon
To Next Page IconTo Next Page
To Next Page IconTo Next Page
To Previous Page IconTo Previous Page
To Previous Page IconTo Previous Page
Loading...

Related product manuals