EasyManua.ls Logo

Yamaha F20BEH - Clamp Bracket Dimensions

Yamaha F20BEH
226 pages
Print Icon
To Next Page IconTo Next Page
To Next Page IconTo Next Page
To Previous Page IconTo Previous Page
To Previous Page IconTo Previous Page
Loading...
1-29
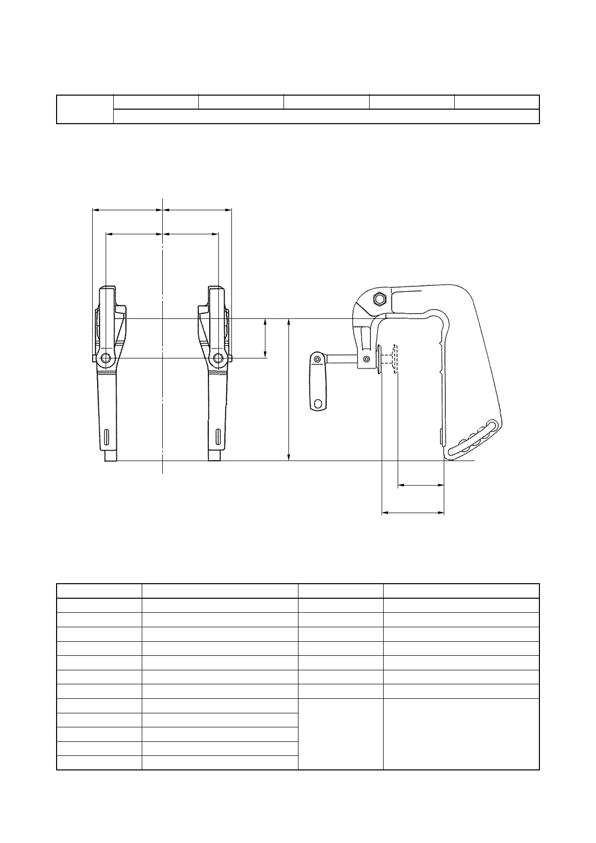
OUTBOARD MOTOR DIMENSIONS
CLAMP BRACKET DIMENSIONS
Model
F2A F2.5A (F2.5)
Manual tilt
Symbol mm (in.) Symbol mm (in.)
B1 C1 22 (0.9)
B2 C2 58 (2.3)
B3 C3
B4 D1
B5 69 (2.7) D2
B6 143.7 (5.7) D3
B7 D4
B8
B9
B10
B11 56 (2.2)
B12 40 (0.2)
B6
B12
B5
C/L
B5
B11
B11
C1
C2

Table of Contents

Related product manuals