EasyManua.ls Logo

Yamaha RX-596 - CONNECTIONS; Connecting External Components

Yamaha RX-596
24 pages
Print Icon
To Next Page IconTo Next Page
To Next Page IconTo Next Page
To Previous Page IconTo Previous Page
To Previous Page IconTo Previous Page
Loading...
6
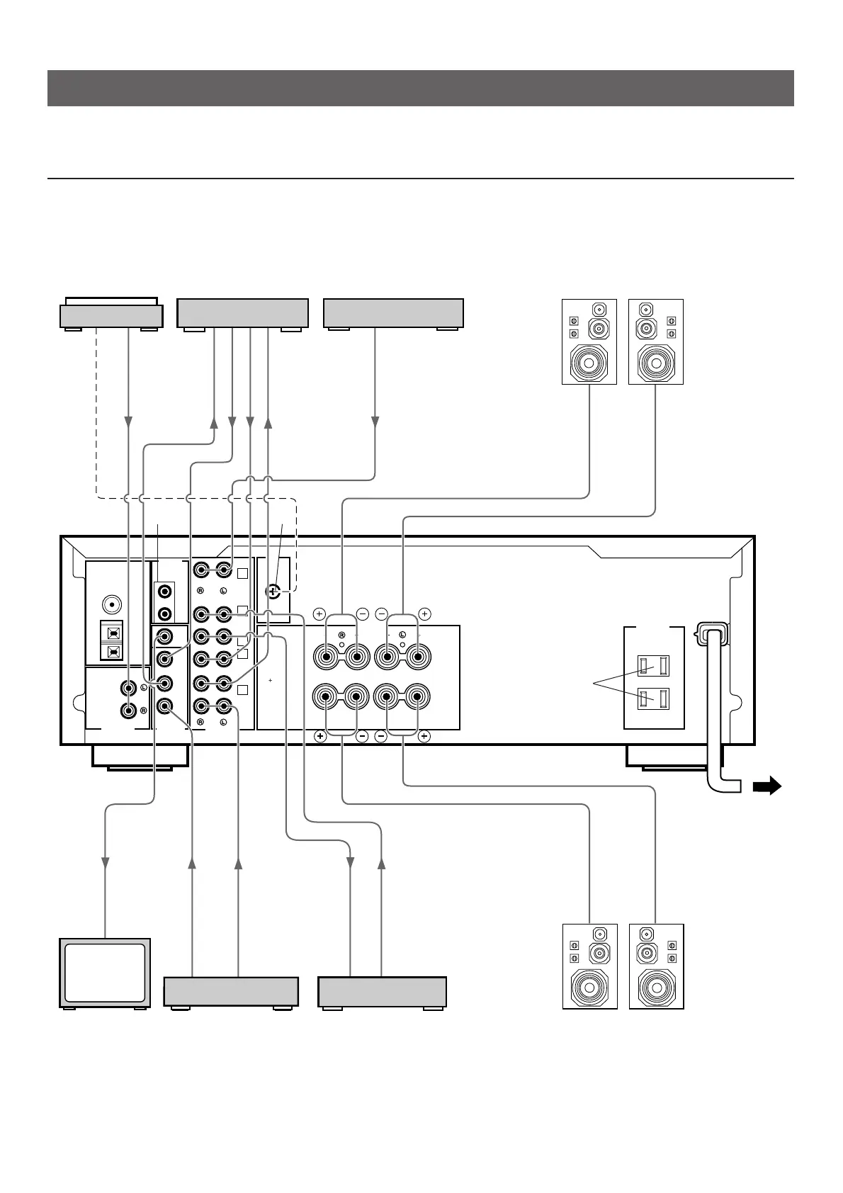
CONNECTIONS
Never plug in this unit and other components until all connections are completed.
CONNECTIONS WITH OTHER COMPONENTS
When making connections between this unit and other components, be sure all connections are made correctly, that is to say L (left)
to L, R (right) to R, “+” to “+” and “” to “”. Also, refer to the owner’s manual for each component to be connected to this unit.
* If you have YAMAHA components numbered as 1, 3, 4, etc. on the rear panel, connections can be made easily only by
connecting the output (or input) terminals of each component to the same-numbered terminals of this unit.
*
1
,
*
2
,
*
3
: See the next page.
3
4
1
PHONO
A OR B : 6MIN./SPEAKER
A B : l2MIN./SPEAKER
AUDIO SIGNAL
SPEAKERS
A
B
GND
REMOTE
CONTROL
CD
TAPE 1
REC
VCR /
TAPE 2
PLAY
3
PLAY
REC
LD /
TV
IN
VCR
OUT
LD /
TV
MONITOR
OUT
VIDEO SIGNAL
AUDIO SIGNAL
IN
OUT
FM
ANT
AM
ANT
GND
l20V 60Hz
l00W MAX. TOTAL
AC OUTLETS
SWITCHED
75
UNBAL.
4
OUTPUT
GND
LINE OUT
LINE IN
VIDEO IN
AUDIO OUT
VIDEO OUT
VIDEO OUT
AUDIO OUT
VIDEO IN
AUDIO IN
OUTPUT
(U.S.A. model)
To AC outlet
Turntable
LD player,
TV tuner, etc.
Video cassette recorder
or Tape deck 2
Tape deck 1
Speakers B
Speakers A
Right Left
Right Left
CD player
Monitor TV
*
2
*
1
*
3
* If a tape deck is connected to the VCR/TAPE 2 (AUDIO
SIGNAL) terminals, there is no connection to the VCR
(VIDEO SIGNAL) terminals.

Related product manuals