EasyManua.ls Logo

Yamaha RX-E100 - Page 35

Yamaha RX-E100
45 pages
Print Icon
To Next Page IconTo Next Page
To Next Page IconTo Next Page
To Previous Page IconTo Previous Page
To Previous Page IconTo Previous Page
Loading...
RX-E100
RX-E100
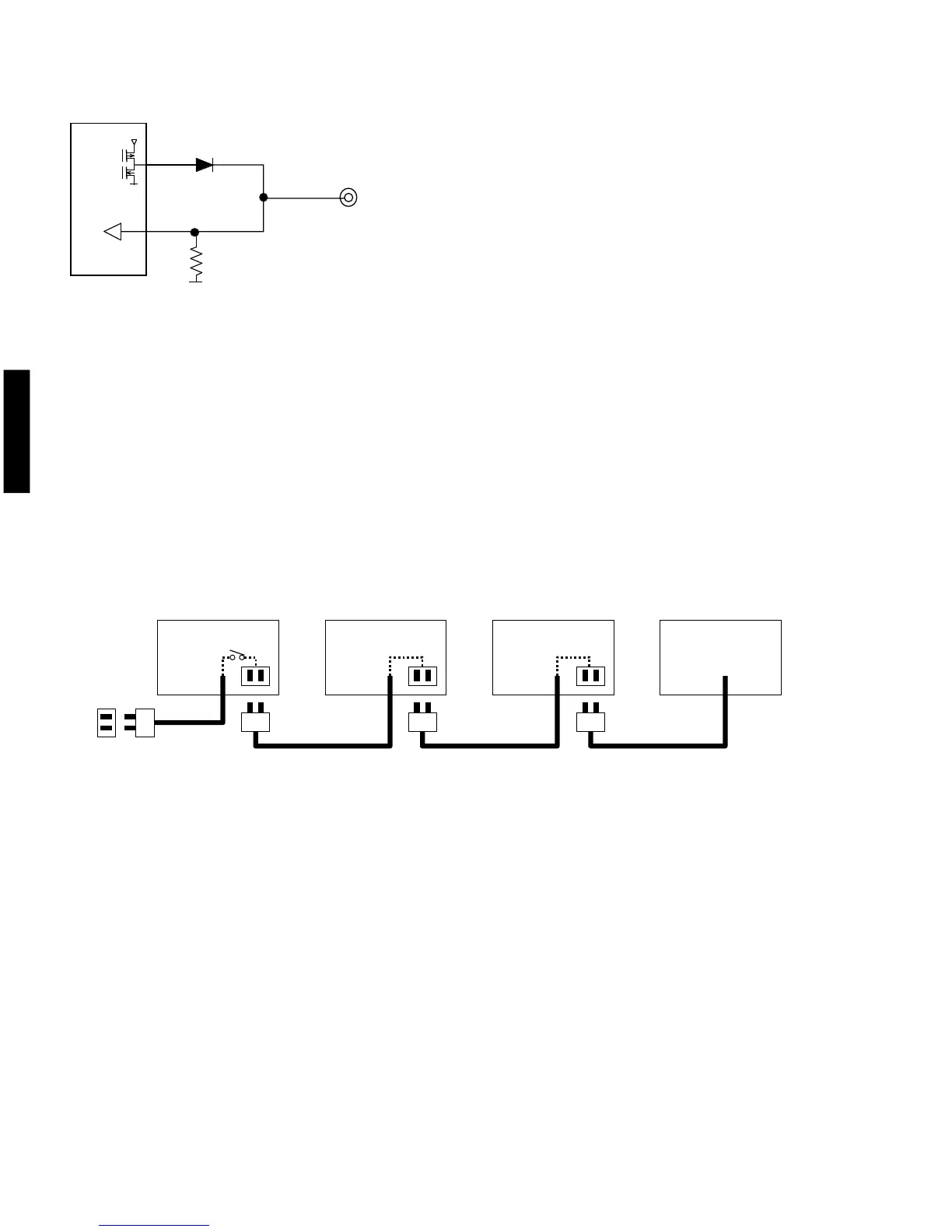
Microprocessor peripheral circuit
Transmission
Reception
CPU
System cable
Description of data transmission and reception
q Although there is only 1 bus line, prepare special ports
for data transmission and reception at each CPU.
w The bus data consists of a header and data (8 bits).
CPU receives and transmits at a 0.5mS or less timer
interruption.
e The header is used to identify the model and to
prevent butting by changing the length for each unit.
r At each CPU, data transmission and reception are
carried out independently. Before transmitting the data,
be sure to check the reception status. If the data is being
received, wait until the data has been received and then
transmit the data.
t When the data transmission is completed, each CPU
also checks the received data. If the header of the
received data does not agree with its own head, the data
may have been overlapped by that of the other model. In
such case, stop the data transmission and restart it after
confirming that the the data transmission of other model
has been completed. This means that the unit with a
longer header has a higher priority.
Description of main system operation
1) POWER ON/OFF processing [(1) to (4)]
RX CDX MDX KX
The power cord of each unit is connected to the AC outlet in series and switched on and off
through the RX relay.
Turning off the RX power switch will turn off the power to other units (primary connection) but
turning off the power switch of any other unit will turn off the secondary connection of each unit
only (i.e., the microprocessor remains on).
Each unit has a backup function to save the secondary connection status when unplugged
(taking use of a unit alone into consideration)
The indicators of units are turned on after a dimmer level signal is fed from RX so that they light
up simultaneously when the RX power switch is turned on. However, as the indicator of a unit
does not light up when the unit is used alone in this setting, the indicator is forced to turn on when
2 seconds have elapsed without a dimmer level signal being fed (and the power for the backup
function is turned on). When the CD unit is used alone, the timer play mode is set regardless of
the backup function status.
Make sure that the power off processing of each unit has been completed before turning off the
power by using the RX relay.
40

Other manuals for Yamaha RX-E100

Related product manuals