EasyManua.ls Logo

Yamaha YTF2 - Wiring

Yamaha YTF2
60 pages
Print Icon
To Next Page IconTo Next Page
To Next Page IconTo Next Page
To Previous Page IconTo Previous Page
To Previous Page IconTo Previous Page
Loading...
B
8
G
R
Br
Br
RW
18
RW
G
BW
31
RW
ON
OFF
R
Br
Br
RW
R
RW
L
R
OPTIONAL
DC OUTLET
10 AMPS
B
BrW
B
G
Or
B
B
RY
24
B
Or
OrW
Br
RW
RW
B
RW
G
G
G
R
OPTIONAL
DC OUTLET
10 AMPS
RW
G
R
RY
R
P
Br
RW
RB
BR
Br
Br
R
R
L
R
L
R
B
R
G
B
R
P
B
CRANK
SENSOR
AIR TEMP.
SENSOR
SUB-LEAD
DIAGNOSTIC
CONNECTOR
VM RELAY
MAIN SWITCH
REVERSE
ALARM
SWITCH
G
R
BW
P
GW
RY
G
BrW
RB
B
BY
L
WR
OPTIONAL
DC OUTLET
RW
1
BrW
G
R
34
R
FUSE
10 AMPS
R
TAIL LIGHT
L.H.
MAIN
FUSE
25 AMP
BW
P
RW
7
OPTIONAL DELUXE
LIGHTING KIT
TAIL LIGHT
R.H.
RW
RY
WIRE COLOR
RY
RB
GW
B
RW
R
RB
R
RW
BY
L
WR
1
212 17
R
LIGHT
FUSE
15 AMPS
R
34
3414
2832
ECU
11
RY
FUEL / HOUR /
WARNING GAUGE
P
B
RY
RB
R
R
RW
P
B
Br
RW
Or
HORN
P
Or
R
B
RW
Or
1
BW
TERMINAL
HEAD/TAIL
LIGHTS
C
B
A
D
IGNITION COILIGNITION COILIGNITION COIL
B
R
B
Or
OrW
HORN
SWITCH
B
B
RY
RY
B
B
RY
RY
HEAD LIGHT
R.H.
HEAD LIGHT
L.H.
RY
RY
B
RY
B
RY
B
W
B
W
B
RY
R
B
W
Or
B
W
R
ENG. EARTH
G
B
WW
B
B
R
BrW
WR
RW
RY
RY
R
R
RW
RY
RY
3
RB
20
RY
29
R
B
R
Br
Br
WR
BW
BrW
BY
R
Or
RW
Br
R
R
VOLTAGE
REGULATOR
STARTER GENERATOR
B
B
OrW
RY
GW
OrW
G
BW
P
REVERSE
ALARM
GW
P
G
G
G
P
Br
MAIN
RELAY
WIRE MINUS LEAD
BATTERY
WIRE PLUS LEAD
B
R
OrW
BW
BODY
EARTH
ENGINE
EARTH
G
R
FUEL
PUMP
RY
B
R
GW
RY
BW
G
P
PGW
BW
OrW
WR
P
RW
B
R
B
OIL LEVEL
SENSOR
10
ACCEL
SWITCH
BW
B
B
B
R
R
B
Or
R
P
R
B
R
B
RY
RY
BW WR
BW
BrW
JC0-0F001-30
JW7
10-1
WIRING
1
2
3
4
5
6
7
8
9
10
11
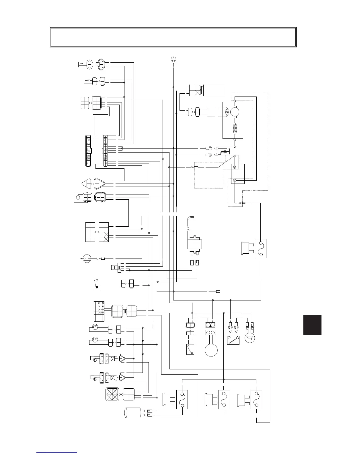
YTF2 EFI WIRING DIAGRAM
JW7-F8199-22_LIT_19626_16_05.qxd 5/9/13 4:28 PM Page 55

Other manuals for Yamaha YTF2

Related product manuals