EasyManua.ls Logo

Yamato DKN402C - Dkn912 C

Yamato DKN402C
56 pages
Print Icon
To Next Page IconTo Next Page
To Next Page IconTo Next Page
To Previous Page IconTo Previous Page
To Previous Page IconTo Previous Page
Loading...
49
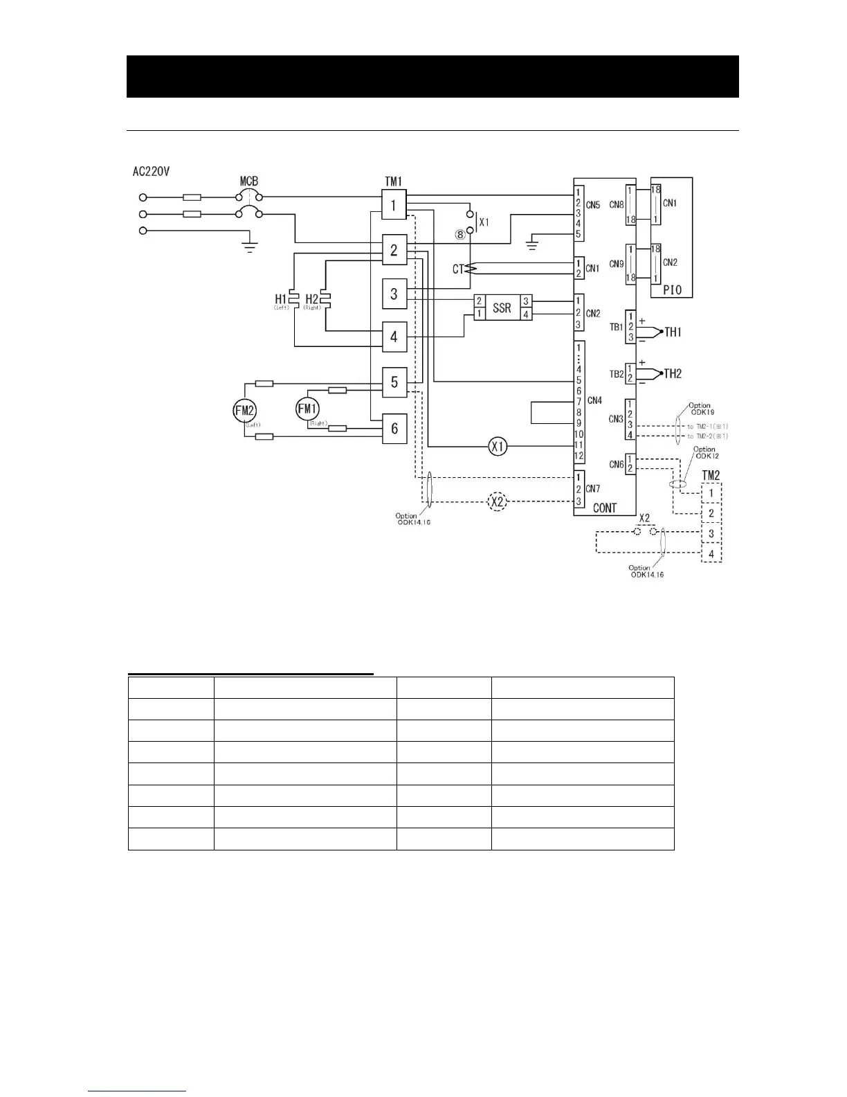
11. WIRING DIAGRAM
DKN912C
*1 Options ODK12 & ODK19 should be connected to TM2-3 & TM2-4 when used together.
------- indicates optional components.
Wiring Diagram Symbol Glossary
Symbol
Component
Symbol
Component
MCB
Main Circuit Breaker
CONT
Control Circuit Board
TM1
Terminal Block
PIO
Display Circuit Board
H1, 2
Heater
TH1
Temperature Sensor
X1
Main Relay
TH2
Overheat Prevention Sensor
FM1
Right Fan Motor (CW)
CT
Current Detection Element
FM2
Left Fan Motor (CCW)
X2
Option Relay
SSR
Solid State Relay
TM2
Option Terminal Block

Other manuals for Yamato DKN402C

Related product manuals