EasyManua.ls Logo

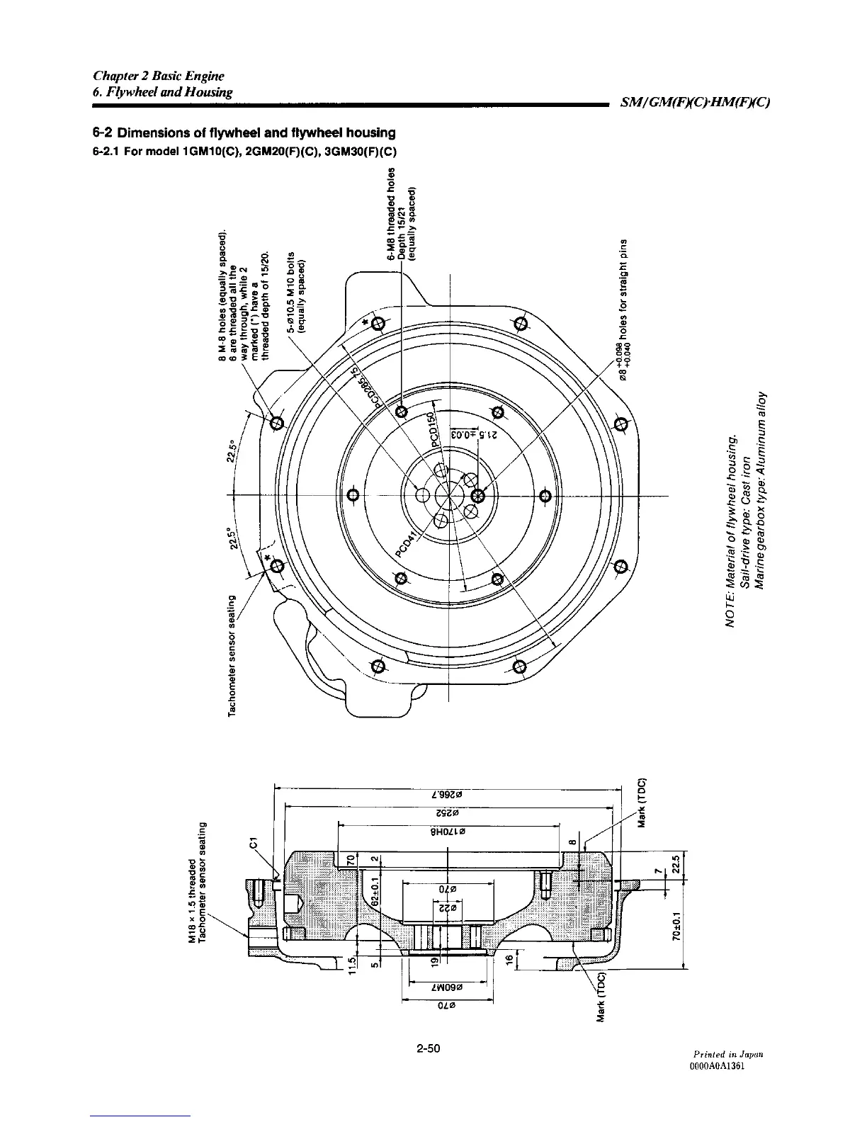
Yanmar 3HM35C - Dimensions of Flywheel and Flywheel Housing

Yanmar 3HM35C
463 pages
Print Icon
To Next Page IconTo Next Page
To Next Page IconTo Next Page
To Previous Page IconTo Previous Page
To Previous Page IconTo Previous Page
Loading...

Table of Contents

Related product manuals