EasyManua.ls Logo

Yard Machines MTDA13P - Parts List

Yard Machines MTDA13P
52 pages
Print Icon
To Next Page IconTo Next Page
To Next Page IconTo Next Page
To Previous Page IconTo Previous Page
To Previous Page IconTo Previous Page
Loading...
1413
9. To test if the line is advancing properly, push the but-
ton with your thumb while pulling the line with your fin-
gers
. The line should advance freely. (Fig. 30).
10. In the event of the line breaking inside the spool,
repeat the replacement operation.
11. Start the grass trimmer following the instructions in
the “STARTING” section.
MAINTENANCE
1. Regular cleaning and maintenance of your string trim-
mer will ensure efficiency and prolong the life of your
machine.
2. After each cutting operation, take apart and clean out
the grass and soil from: the spool and its slot and in
particular the debris shield.
3. During operation, keep the air slots clean and free of
grass.
4. Only use a cloth soaked with hot water and a soft
br
ush to clean the string trimmer.
5. Do not spray or wet the appliance with water.
6. Do not use detergents or solvents as these could ruin
the trimmer. The parts made of plastic can easily be
damaged by chemical agents.
7. If the line cutting blade no longer cuts or breaks, have
this replaced by contacting an authorized service
center.
MAINTENANCE INSTRUCTIONS
Fig. 30
Bef
ore carrying out
any maintenance
operations, cut off the electric power supply by
disconnecting the plug from the extension
cord.
CAUTION:
Input
. . . . . . . . . . . . . . . . . . . . . . . . . . . . . . . . . . . . . . . . . . . . . . . . . . . . . . . . . . . . . . . . . . . . . . . . . . . . . .
120V~, 60Hz, 4 Amp
No Load Speed . . . . . . . . . . . . . . . . . . . . . . . . . . . . . . . . . . . . . . . . . . . . . . . . . . . . . . . . . . . . . . . . . . . . . . . . . . . . . .7,500/min.
Cutting
Width
. . . . . . . . . . . . . . . . . . . . . . . . . . . . . . . . . . . . . . . . . . . . . . . . . . . . . . . . . . . . . . . . . . . . . . . . . . . . . .
13”
(330mm)
Line Diameter . . . . . . . . . . . . . . . . . . . . . . . . . . . . . . . . . . . . . . . . . . . . . . . . . . . . . . . . . . . . . . . . . . . . . . . . .ø0.065” (1.65mm)
Net
W
eight
. . . . . . . . . . . . . . . . . . . . . . . . . . . . . . . . . . . . . . . . . . . . . . . . . . . . . . . . . . . . . . . . . . . . . . . . . . . . .
6.4 Lbs (2.9 Kg)
SPECIFICATION
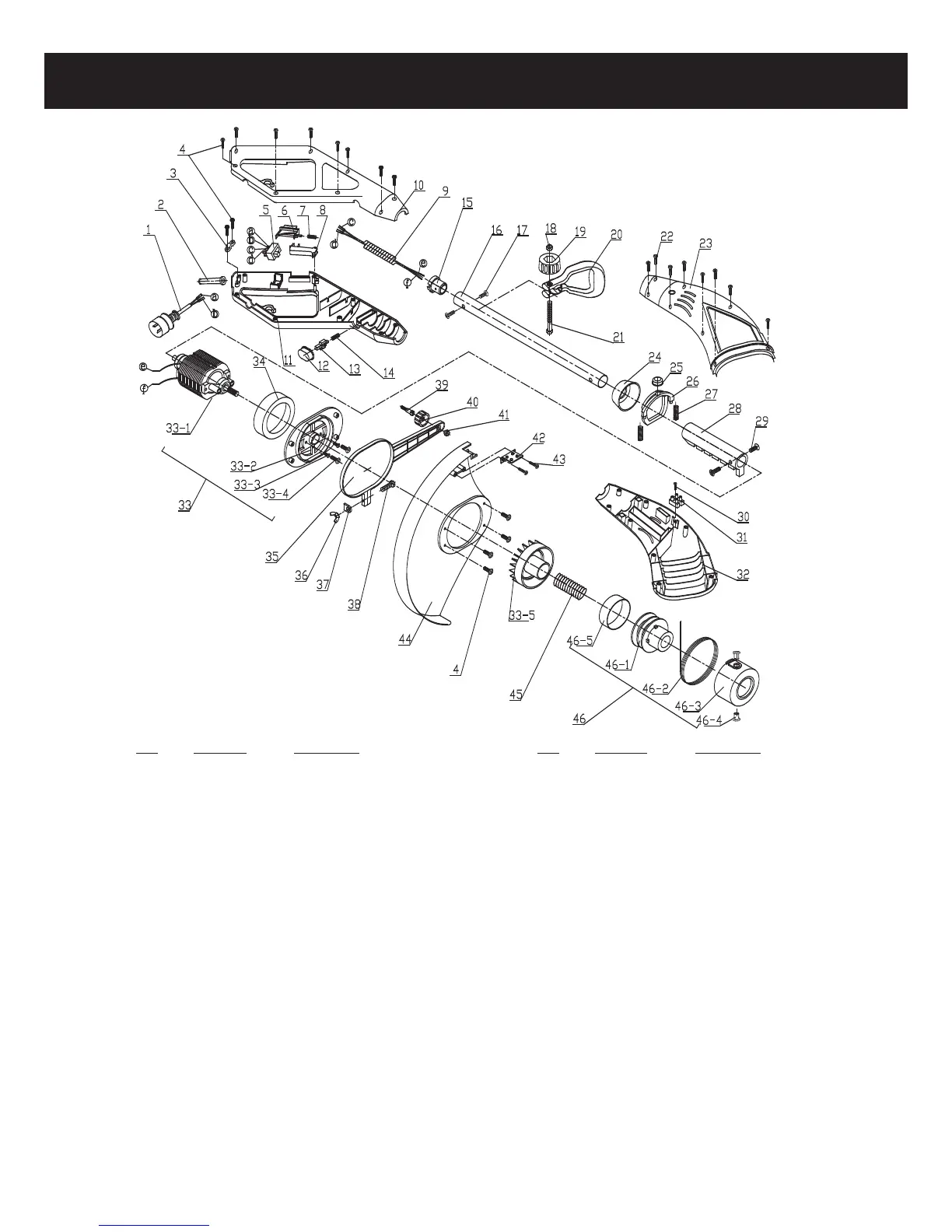
PARTS LIST
No. Parts No. Description
1 6011-202A02 POWER CORD 29 6SVABB04-10 SCREW
2 6199-202A01 CORD GUARD 30 6SDABA03-16 SCREW
3 6043-815501 PLATE (PRESSING CORD) 31 6041-840001 TERMINAL BLOCK
4 6SDABB04-14 SCREW 32 6038-202A06 HOUSING (L)
5 6022-202A01 SWITCH 33 6228-202A15 MOTOR ASS'Y
6 6134-202A04 TRIGGER 33-1 6099-202A03 MOTOR
7 6024-202A01 SPRING 33-2 6187-202A01 FIXED PLATE
8 6134-202A05 TRIGGER 33-3 6SDAB-03-12 SCREW
9 6010-202A01 WIRE 33-4 6SDAB-04-12 SCREW
10 6068-202A06 UPPER HANDGRIP (R) 33-5 6270-202003 CUTTER ASS'Y
11 6068-202A05 UPPER HANDGRIP (L) 34 6131-202A04 CUSHION RING
12 6056-202A03 BUTTON 35 6114-202A02 EGDER GUIDE
13 6021-202A01 LEVER 36 6NBB-06 NUT
14 6024-202A02 SPRING 37 6043-202A01 GASKET
15 6131-202A01 JOINT PIPE 38 6SXDB-06-20 SCREW
16 6129-202A01 CENTRAL TUBE 39 6115-202A01 SHAFT PIN
17 6SDABB04-06 SCREW 40 6137-202A01 WHEEL
18 6NAB-06 NUT 41 6NAB-05 NUT
19 6056-230302 BUTTON 42
6SDABB04-08 SCREW
20 6068-230301 CENTRAL HANDGRIP 43
6250-202503 WIRE CUTTING BLADE
21 6SXDB-06-65 SCREW 44 6262-202A02 SHIELD
22 6SDABB04-18 SCREW 45 6024-202A04 SPRING
23 6038-202A05 HOUSING (R) 46 6228-202004A SPOOL CARRIER ASS'Y
24 6059-202A01 JACKET 46-1
6059-202004 BLISTER PACK
25 6056-202A04 BUTTON 46-2
6008-202001A SPOOL CARRIER
26 6239-202A01 FIXED RING 46-3
6194-202001 WIRE-CUTTING
27 6024-202A03 SPRING 46-4
6059-202005A SPOOL COVER
28 6131-202A02 EXPANDING RING 46-5
6140-B23101 PILOT
No. Parts No. Description

Related product manuals