EasyManua.ls Logo

Yard Machines MTDA13P - Lista de Piezas

Yard Machines MTDA13P
52 pages
Print Icon
To Next Page IconTo Next Page
To Next Page IconTo Next Page
To Previous Page IconTo Previous Page
To Previous Page IconTo Previous Page
Loading...
9. Para probar si la línea está avanzando adecuada-
mente, presione el botón con su pulgar mientras jala
la línea con sus dedos
. La línea deberá avanzar libre-
mente. (Fig. 30)
10. En caso de que la línea se rompa dentro del rotor,
repita la oper
ación de reemplazo.
11. Encienda el podador de pasto siguiente las instruc-
ciónes en la seccion de “ARRANQUE”.
MAINTENIMIENTO
1. Un regular mantenimiento y aseo de su maquina ase-
gurara un funcionamiento mas eficiente y prolongara
la vida de su unidad.
2. Después de cada operación de corte, limpie y quite la
tierra y pasto de el cabezal y particularmente de la
guarda.
3. Mientras opera la unidad asegúrese de que las
ranuras d ventilación están limpias y libres de tierra y
pasto.
4. Unicamente utilice un trapo húmedo con agua
caliente y un cepillo delgado para limpiar su maquina.
5. No rocÌe o moje su unidad con agua.
6. No utilice detergentes o solventes ya que esto pudiera
arruinar su unidad.
7. Si la línea de corte ya no corta o se rompe, reem-
plácela contactando un centro de servicio autorizado.
INSTRUCCIONES DE MAINTENIMIENTO
Fig. 30
Antes de
practicar
cualquier procedimiento de mantenimiento de
su unidad, corte completamente el suministro
de corriente eléctrica de la unidad
desconectando la clavija de la extensión eléc-
trica.
PRECAUCION :
P
otencia
. . . . . . . . . . . . . . . . . . . . . . . . . . . . . . . . . . . . . . . . . . . . . . . . . . . . . . . . . . . . . . . . . . . . . . . . . . . . .
120V~, 60Hz, 4,0A
Velocidad no Instalada . . . . . . . . . . . . . . . . . . . . . . . . . . . . . . . . . . . . . . . . . . . . . . . . . . . . . . . . . . . . . . . . . . . .7,500 min
-1
/RPM
Diámetro del Círculo de Corte . . . . . . . . . . . . . . . . . . . . . . . . . . . . . . . . . . . . . . . . . . . . . . . . . . . . . . . . . . . . . . . . .13” (330mm)
Reserva del la línea . . . . . . . . . . . . . . . . . . . . . . . . . . . . . . . . . . . . . . . . . . . . . . . . . . . . . . . . . . . . . . . . . . . . .ø .065” (1.65mm)
P
eso neto
. . . . . . . . . . . . . . . . . . . . . . . . . . . . . . . . . . . . . . . . . . . . . . . . . . . . . . . . . . . . . . . . . . . . . . . . . . . . .6,4 Lbs (2,9 Kg )
ESPECIFICACIONES
4847
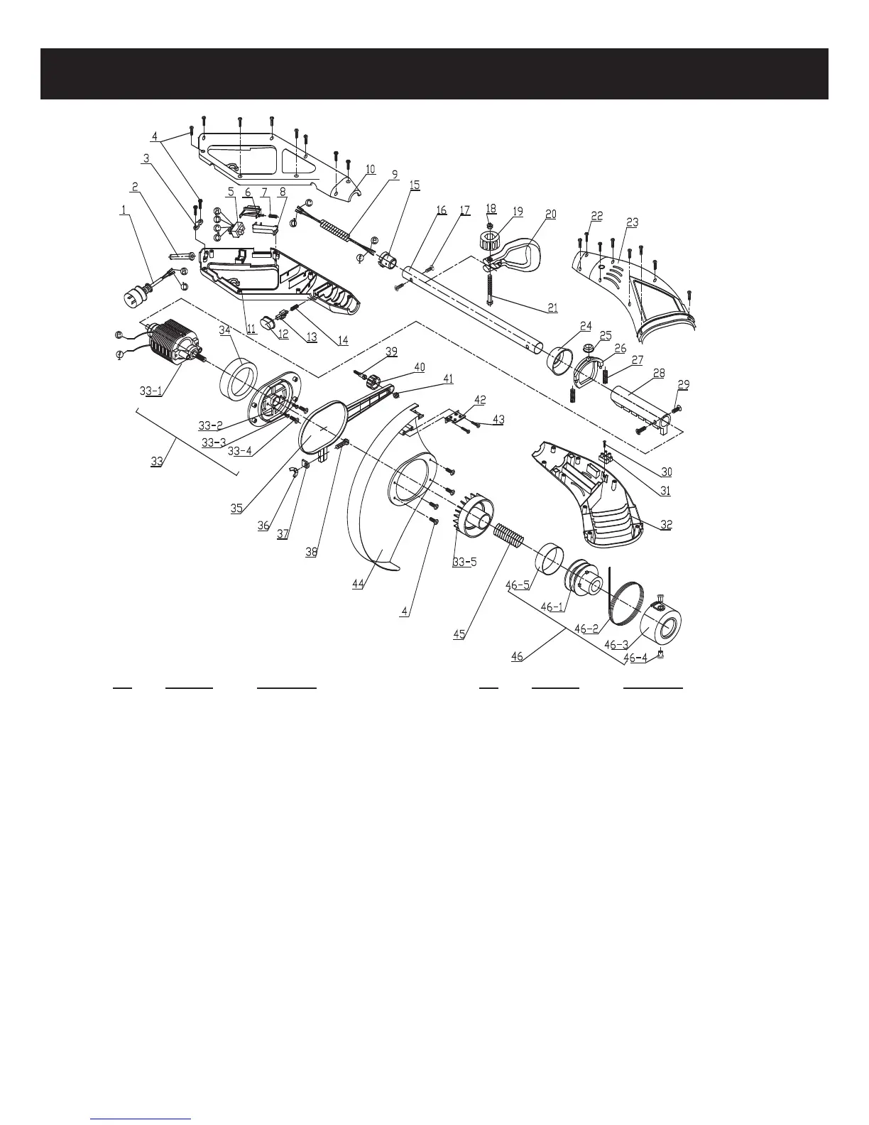
LISTA DE PIEZAS
1 6011-202A02 CABLE ALIMENTACIÓN 29 6SVABB04-10 TORNILLO
2 6199-202A01 PROTECCIÓN DE CABLE 30 6SDABA03-16 TORNILLO
3 6043-815501 CUBIERTA (PRESIONA CABLE) 31 6041-840001 ABRAZADERA DE TORNILLO
4 6SDABB04-14 TORNILLO 32 6038-202A06 CARCASA (L)
5 6022-202A01 INTERRUPTOR 33 6228-202A15 MOTOR ASAMBLEA
6 6134-202A04 GATILLO 33-1 6099-202A03 MOTOR
7 6024-202A01 MUELLE 33-2 6187-202A01 PLACA DE FIJACIÓN
8 6134-202A05 GATILLO 33-3 6SDAB-03-12 TORNILLO
9 6010-202A01 ALAMBRE 33-4 6SDAB-04-12 TORNILLO
10 6068-202A06 MANILLAR SUPERIOR (R) 33-5 6270-202003 CUTTER ASS'Y
11 6068-202A05 MANILLAR SUPERIOR (L) 34 6131-202A04 ANILLO AMORTIGUADOR
12 6056-202A03 BOTÓN 35 6114-202A02 GUÍA DE LA CUCHILLA
13 6021-202A01 PALANCA 36 6NBB-06 TUERCA
14 6024-202A02 MUELLE 37 6043-202A01 JUNTA DE CULATA
15 6131-202A01 TUBO DE UNIÓN 38 6SXDB-06-20 TORNILLO
16 6129-202A01 TUBO CENTRAL 39 6115-202A01 CLAVIJA DEL EJE
17 6SDABB04-06 TORNILLO 40 6137-202A01 PUEDA
18 6NAB-06 TUERCA 41 6NAB-05 TUERCA
19 6056-230302 BOTÓN 42
6SDABB04-08 TORNILLO
20 6068-230301 EMPUÑADURA CENTRAL 43
6250-202503 ALAMBRE CORTANDO HOJA
21 6SXDB-06-65 TORNILLO 44 6262-202A02 ALINDAJE
22 6SDABB04-18 TORNILLO 45 6024-202A04 MUELLE
23 6038-202A05 CARCASA (R) 46 6228-202004A PORTADOR DE CARRETE
24 6059-202A01 JACKET 46-1
6059-202004 BAÍSTER
25 6056-202A04 BOTÓN 46-2
6008-202001A PORTABOBINAS
26 6239-202A01 ANILLO FIJO 46-3
6194-202001 ALAMBRA-CORTANDO
27 6024-202A03 MUELLE 46-4
6059-202005A TAPA DE LA BOBINA
28 6131-202A02 ANILLO DE XPANSIÓN 46-5
6140-B23101 PILOTO
No. Pieza N
o
. Descripción No. Pieza N
o
. Descripción

Related product manuals