EasyManua.ls Logo

YASKAWA E-II Series - Wiring Examples

YASKAWA E-II Series
18 pages
Print Icon
To Next Page IconTo Next Page
To Next Page IconTo Next Page
To Previous Page IconTo Previous Page
To Previous Page IconTo Previous Page
Loading...
12 MEASURES TO SATISFY THE EMC DIRECTIVES
E-15
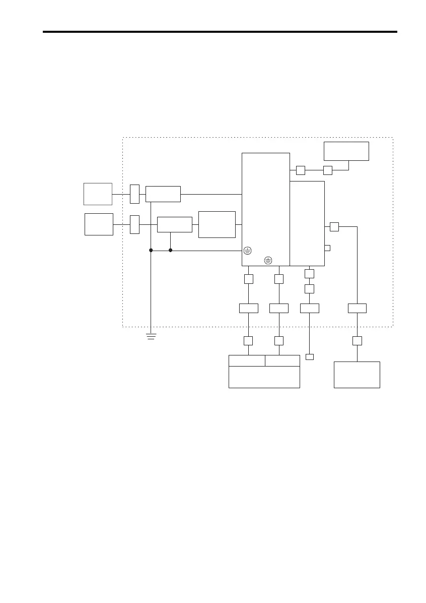
Wiring Examples
The following diagrams show the wiring example. Before wiring, turn OFF the Power ON/
OFF switch and post a notice of “No Conduction.” Only an electrical expert can perform the
wiring. The noise filter and the core are shown in the diagram.
Note: 1. Clamp: Secure and ground cable shields using conductive metal parts.
2. Make sure that the grounding plate are securely connected to the grounding.
3. Remove the paint from the grounding plate to insure a good connection with filter, SER-
VOPACK, clamp, etc.
<REQUIRED EMC SPECIFICATIONS>
Grounding plate/Box
Three-phase
400 VAC
Single-phase
200 VAC
Clamp
Noise
filter 1
Noise
filter 2
AC/DC
converter
CN1
Core Core
Core
Core
CoreCore
Core
Open
Moter
Servomotor
Host controller
Encoder
CoreCore
Clamp Clamp Clamp Clamp
Core
Control box
NS115
SGDH
SERVOPACK
L1, L2, L3
A1, A2
CN6A
CN6B
U, V, W, CN2
Clamp
Main
power
supply
Control
power
supply

Other manuals for YASKAWA E-II Series

Related product manuals