EasyManua.ls Logo

YASKAWA JANCD-YEW01-E - Example Connection

YASKAWA JANCD-YEW01-E
40 pages
Print Icon
To Next Page IconTo Next Page
To Next Page IconTo Next Page
To Previous Page IconTo Previous Page
To Previous Page IconTo Previous Page
Loading...
9-1
167646-1CD
HW1481264
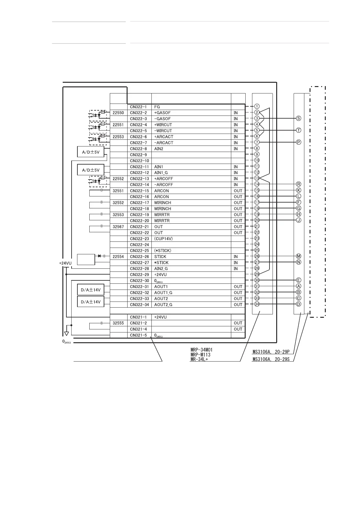
9 Example Connection
Interface Board for Welding
Power Supply
9 Example Connection
Logical
number
Connector
pin No.
Name Signal
(gas shortage)
(gas shortage)
(wire shortage)
(wire shortage)
(arc establishment)
(arc establishment)
(Current input)
(Voltage input)
(arc failure)
(arc failure)
(arc-ON) A
(arc-ON) B
(wire inching) A
(wire inching) B
(wire retract inching) A
(wire retract inching) B
(General output) B
(wire stick)
(wire stick)
(Voltage command)
(Current command)
Power source
MR Connector MS Connector
Detector
Case
Contact
Insulator
Each point
DC24V
5 mA MAX
WAGO Connector (231-105/026-A0)
(General output) A
Starting point detection command output A (optional)
Starting point detection command output B (optional)
DX200
DC24V
5 mA MAX
DC24V
0.5 A MAX
DC24V
0.5 A MAX
Welding power source
39 of 40

Related product manuals