EasyManua.ls Logo

YOKOGAWA EXAxt ZR22G - Page 13

YOKOGAWA EXAxt ZR22G
36 pages
Print Icon
To Next Page IconTo Next Page
To Next Page IconTo Next Page
To Previous Page IconTo Previous Page
To Previous Page IconTo Previous Page
Loading...
<3.SystemCongurations>
3-5
TI 11M12A01-01E
Mar. 14, 2017-00All Right Reserved Copyright © 2004, Yokogawa Electric Corporation
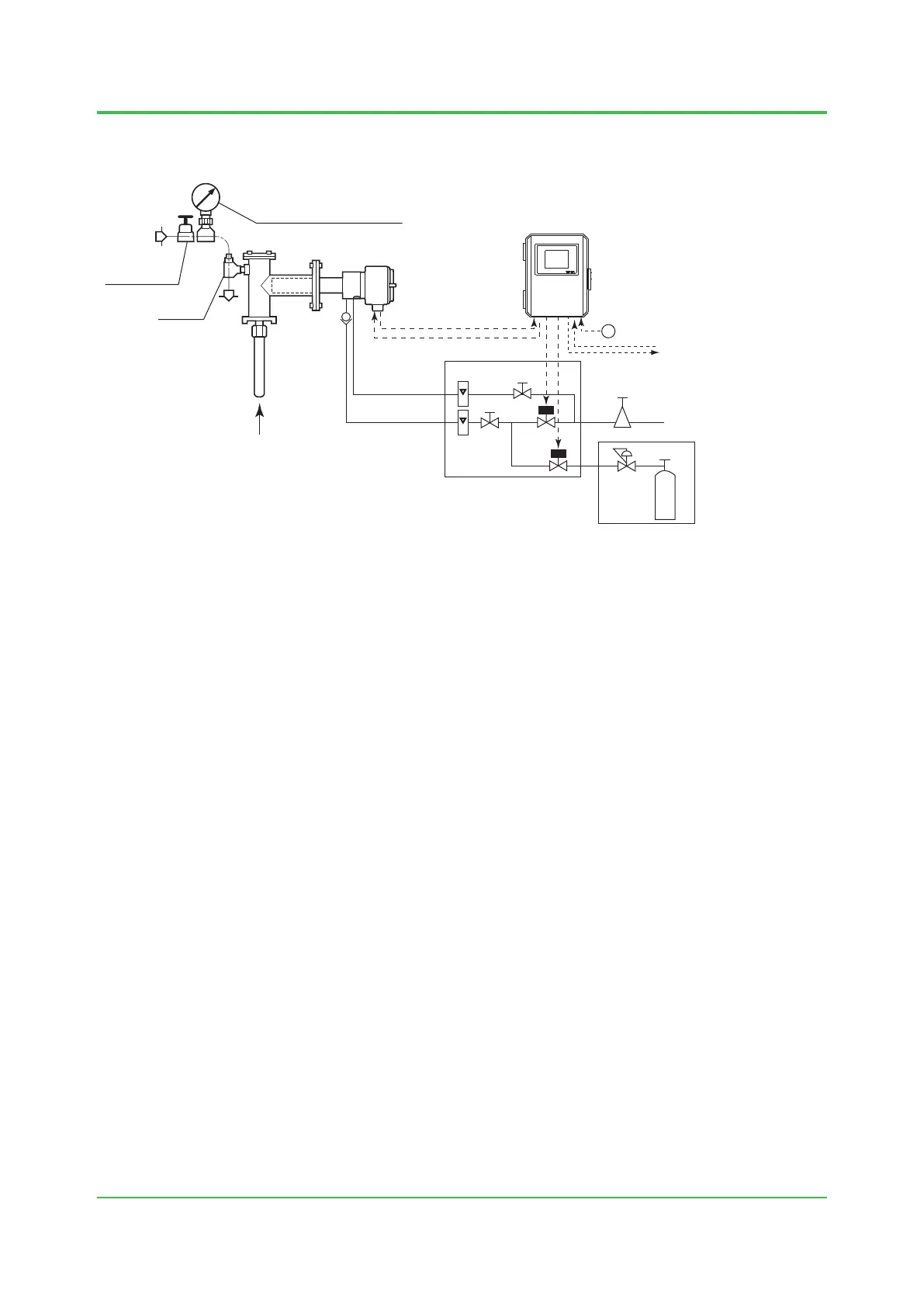
(6) Type:H3(automaticcalibration)
F0306.ai
EXA
ZR402G
~
<1> High-temperature detector ZR22G-015
Air supply
(0.15MPa)
Needle valve
Ejector
Pressure gauge assembly
<2> ZR402G Converter
Signal
*1
(6-core shield cable)
Heater (2-core)
Reference gas
Calibration gas
Flowmeter
Needle
valve
Zero gas cylinder
*2
100 to 240 V AC
Check valve
<3> ZR40H Automatic
Calibration Unit
Contact input
Analog output, contact output
Digital output (HART)
lnstrument air
Regulator
Air Set
*1: Shield cable; Use shielded signal cables, and connect the shield to the FG terminal of the converter.
*2: When a zirconia oxygen analyzer is used, 100% N
2
gas cannot be used as the zero gas. Use

Related product manuals