EasyManua.ls Logo

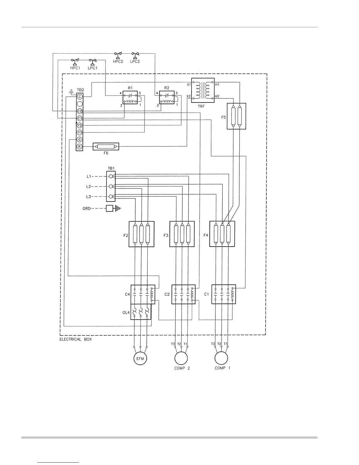
York CU060 - Typical Wiring Diagram; 208-230 V;3 Ph;60 Hz

York CU060
20 pages
Print Icon
To Next Page IconTo Next Page
To Next Page IconTo Next Page
To Previous Page IconTo Previous Page
To Previous Page IconTo Previous Page
Loading...
036-33072-001 Rev. A (0601)
18 UnitaryProductsGroup
FIGURE 7 : TYPICAL WIRING DIAGRAM; 208-230V/3PH/60 HZ

Related product manuals