EasyManua.ls Logo

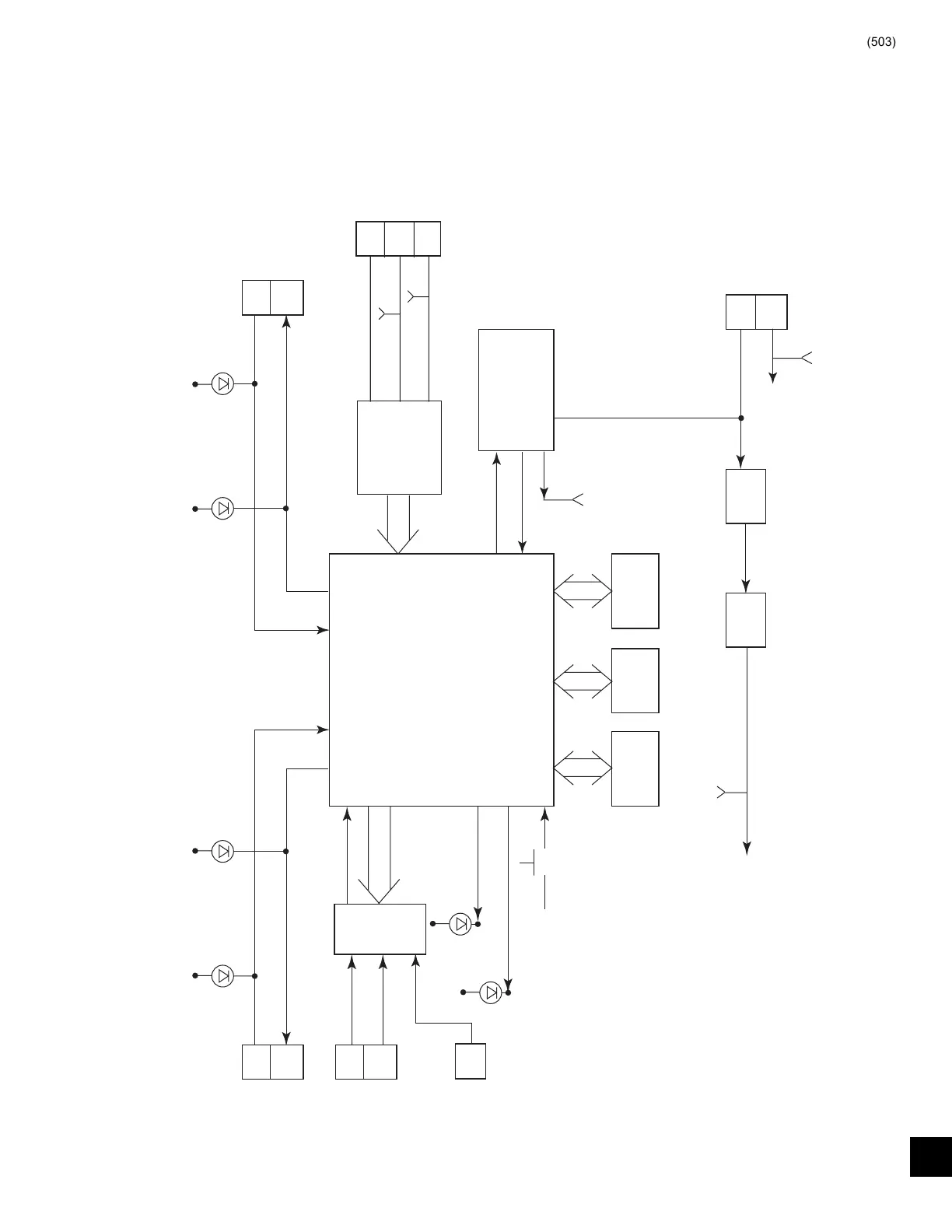
York MAXE OPTIVIEW YK - Fig. 44 - Adaptive Capacity Control (Acc) Board

York MAXE OPTIVIEW YK
180 pages
Print Icon
To Next Page IconTo Next Page
To Next Page IconTo Next Page
To Previous Page IconTo Previous Page
To Previous Page IconTo Previous Page
Loading...
FORM 160.54-M1(503)
83
YORK INTERNATIONAL
REFRESH
RESET
WATCHDOG /
POWER FAIL
DETECTOR
TPC
UNDER
VOLTAGE
DIGITAL
SIGNAL
PROCESSOR
CLK
DATA
FRAME
TPD
TPE
J9
1
2
3
BRAM EPROMRAM
MICRO
J8
3
1
RED
GREEN
SERIAL DATA
CR5 CR4
VS
XMT
VS
RCV
VSD LOGIC BOARD
J10
J3
3
1
RED
GREEN
SERIAL DATA
CR6 CR7
YM
RCV
YM
XMT
2
3
HARMONIC
FILTER
LOGIC BOARD
J6
2
1
POWER
SUPPLY
TPB
TPA
TO ALL
CKTS
MICRO
BOARD
MICRO
BOARD
MUX
DATA
ADDRESS
J4
2
PRV
POT
PRV POSITION
COND PRSS.
EVAP PRSS.
+5VDC
REG
+24VDC
REG
MANUAL
SURGE POINT
SW1
VALID POINT
SURGE
RED
GREEN
CR8
CR9
+24VDC
GND
FIG. 44 – ADAPTIVE CAPACITY CONTROL (ACC) BOARD
LD04086
12

Table of Contents

Related product manuals