EasyManua.ls Logo

York YLUA Series - Page 42

York YLUA Series
52 pages
Print Icon
To Next Page IconTo Next Page
To Next Page IconTo Next Page
To Previous Page IconTo Previous Page
To Previous Page IconTo Previous Page
Loading...
42 JOHNSON CONTROLS
FORM 150.63-EG4 (1012)
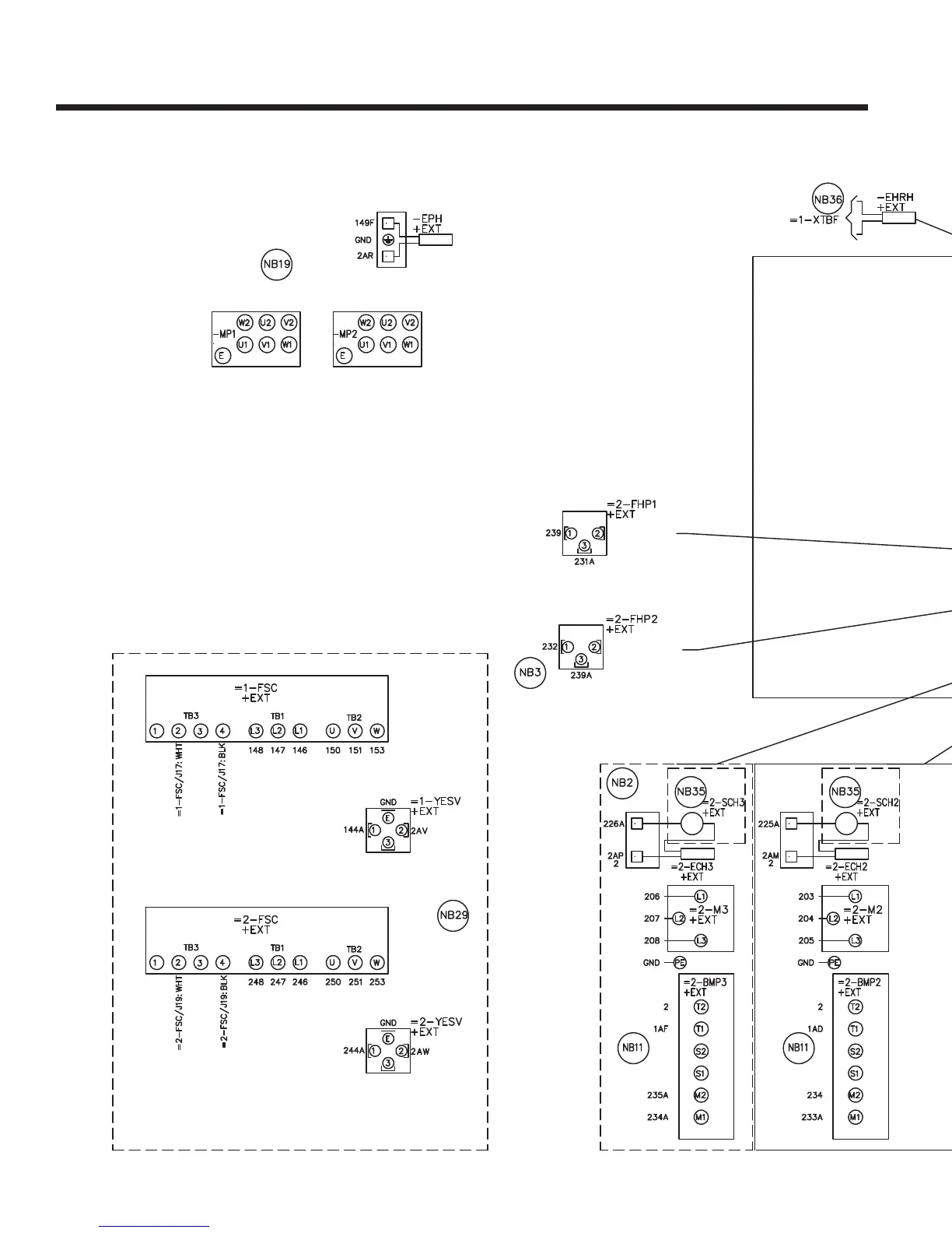
Electrical Drawings - continued

Related product manuals