EasyManua.ls Logo

Zanotti Z200 - Single Temperature Piping Connection Diagram

Zanotti Z200
78 pages
Print Icon
To Next Page IconTo Next Page
To Next Page IconTo Next Page
To Previous Page IconTo Previous Page
To Previous Page IconTo Previous Page
Loading...
Refrigeration unit
Series Zero Direct-Drive
Z200 | Z250 | Z350 | Z380
Z380 Multi
INSTALLATION MANUAL
rev.01
49
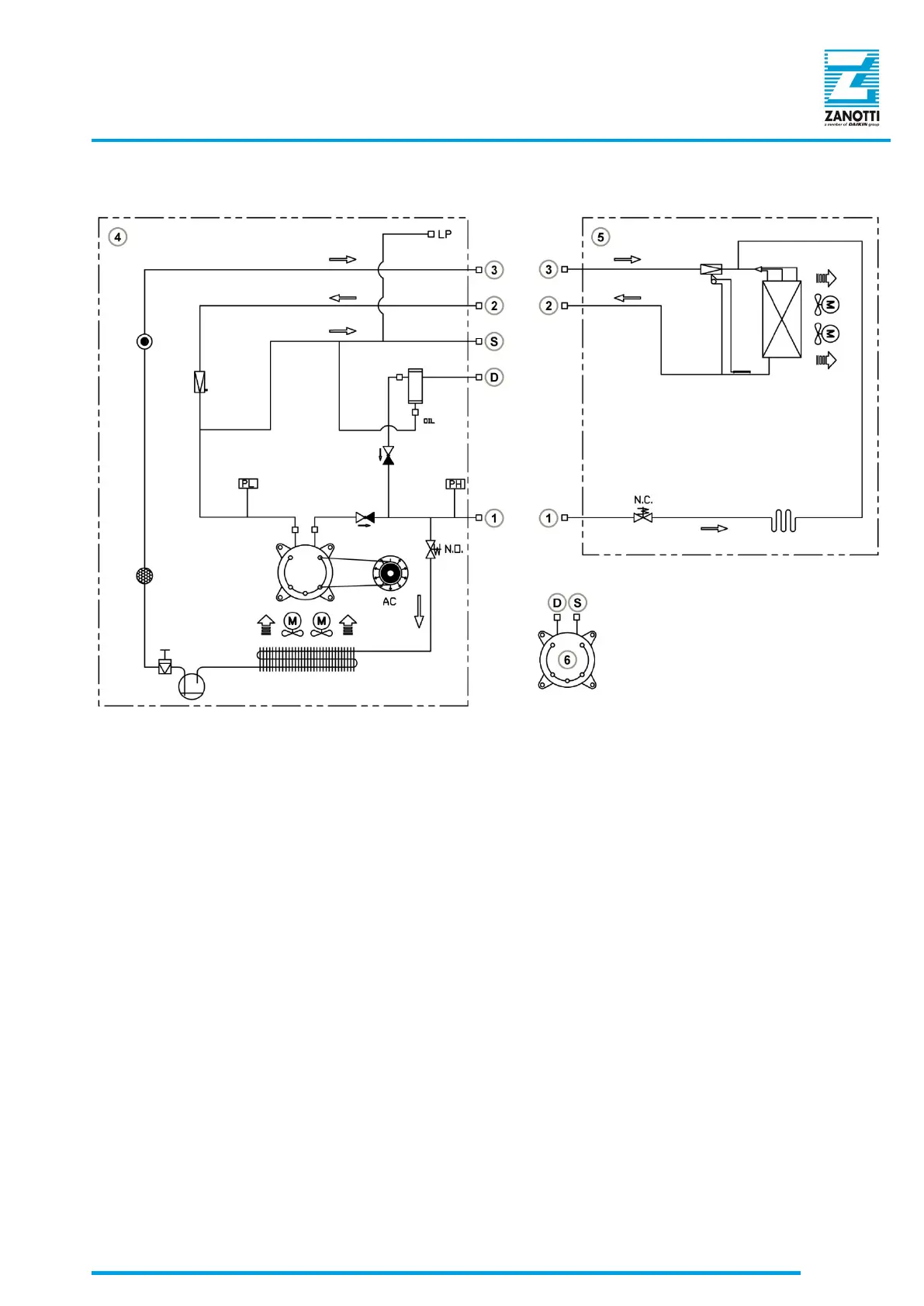
3.8.1 Connection diagram - single temperature versions
Figure 56 - Connection diagram - single temperature
1 Defrosting line Ø 10 mm [0.39 in] S
Road compressor suction line
Ø 16 mm [0.63 in ]
2 Suction line Ø 16 mm [0.63 in] 4 Condenser unit
3 Liquid line Ø 8 mm [0.31 in] 5 Evaporator
D Road compressor supply line Ø 10 mm [0.39 in] 6 Road compressor

Table of Contents

Related product manuals