EasyManua.ls Logo

Zanotti Z200 - Cooling Diagram - Multi Temperature Version

Zanotti Z200
78 pages
Print Icon
To Next Page IconTo Next Page
To Next Page IconTo Next Page
To Previous Page IconTo Previous Page
To Previous Page IconTo Previous Page
Loading...
Refrigeration unit
Series Zero Direct-Drive
Z200 | Z250 | Z350 | Z380
Z380 Multi
INSTALLATION MANUAL
rev.01
77
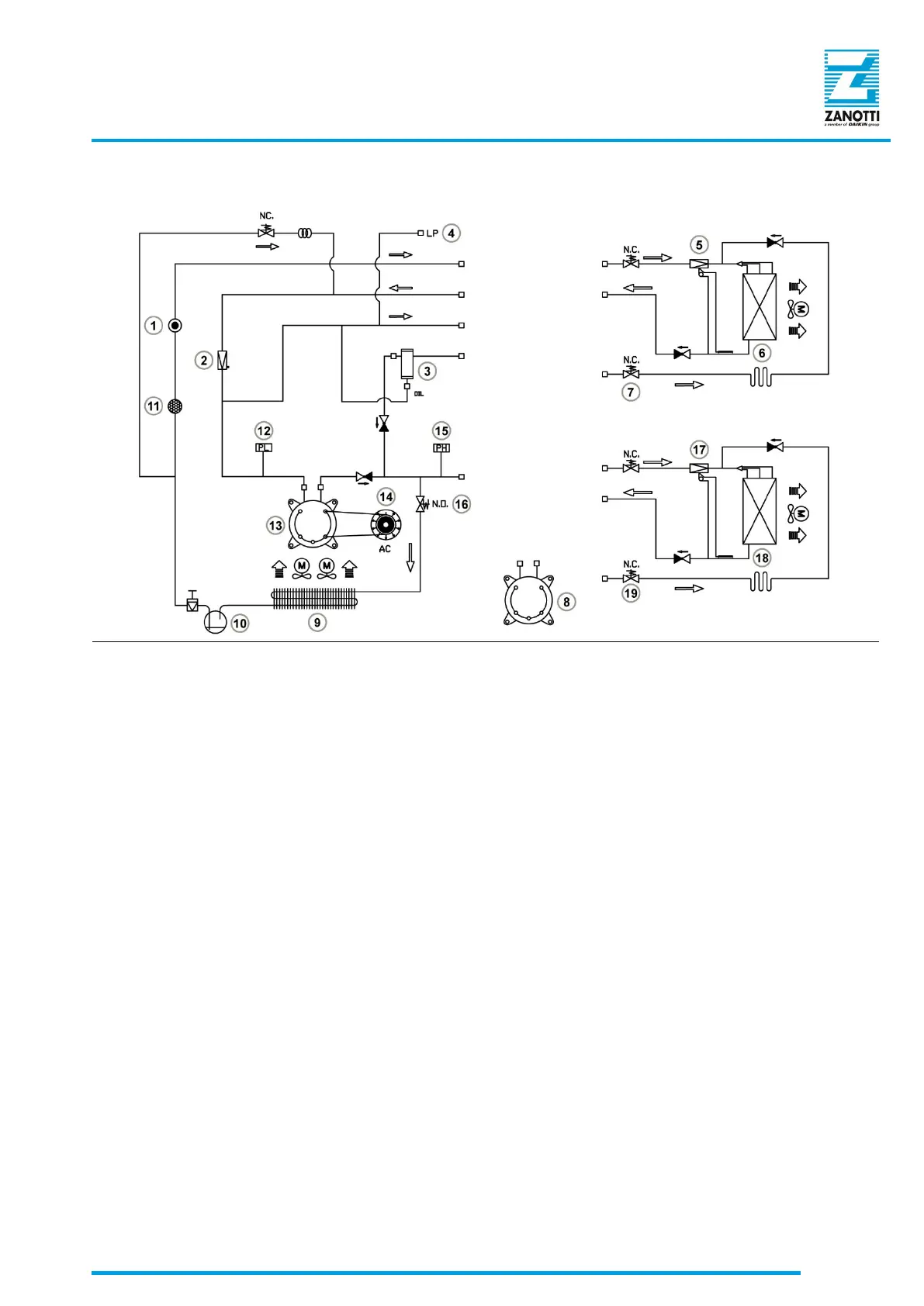
4.2 Cooling diagram - multi temperature version
Figure 82 - Cooling diagram (multi temperature version)
1 Liquid spyglass 11 Dehydrating filter
2 Pressure regulator valve 12 Low pressure switch
3 Oil separator 13 Stand-by Compressor
4 Low pressure service socket 14 Electric motor
5 Evaporator 1 expansion valve 15 High pressure switch
6 Evaporator 1 16 YG condenser closing valve
7 Defrosting valve YS evaporator 1 17 Evaporator 2 expansion valve
8 Road compressor 18 Evaporator 2
9 Condenser 19 Defrosting valve YS evaporator 2
10 Liquid receiver

Table of Contents

Related product manuals