EasyManua.ls Logo

Zanotti Z200 - Multi Temperature Piping Connection Diagram

Zanotti Z200
78 pages
Print Icon
To Next Page IconTo Next Page
To Next Page IconTo Next Page
To Previous Page IconTo Previous Page
To Previous Page IconTo Previous Page
Loading...
INSTALLATION MANUAL
Refrigeration unit
Series Zero Direct-Drive
Z200 | Z250 | Z350 | Z380
Z380 Multi
50
rev.01
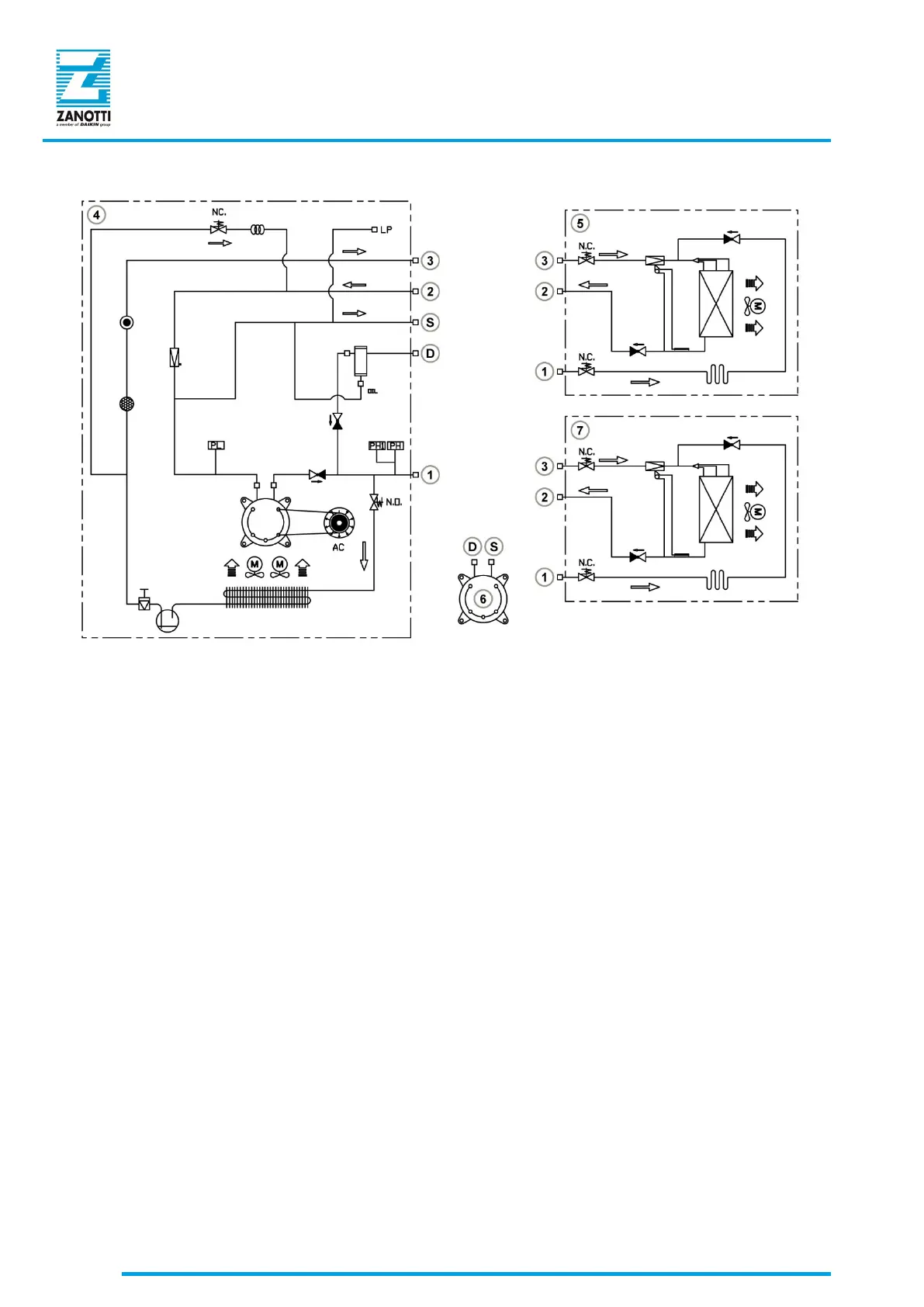
3.8.2 Connection diagram - Standard multi temperature versions
Figure 57 - Connection diagram - Multi temperature
1 Defrosting line Ø 10 mm [0.39 in] 4 Condenser unit
2 Suction line Ø 16 mm [0.63 in] 5 Evaporator 1
3 Liquid line Ø 8 mm [0.31 in] 6 Road compressor
D Road compressor supply line Ø 10 mm [0.39 in] 7 Evaporator 2
S
Road compressor suction line
Ø 16 mm [0.63 in ]

Table of Contents

Related product manuals