EasyManua.ls Logo

Zanotti Z200 - Wiring Diagram for Heating Kit Installation

Zanotti Z200
78 pages
Print Icon
To Next Page IconTo Next Page
To Next Page IconTo Next Page
To Previous Page IconTo Previous Page
To Previous Page IconTo Previous Page
Loading...
INSTALLATION MANUAL
Refrigeration unit
Series Zero Direct-Drive
Z200 | Z250 | Z350 | Z380
Z380 Multi
72
rev.01
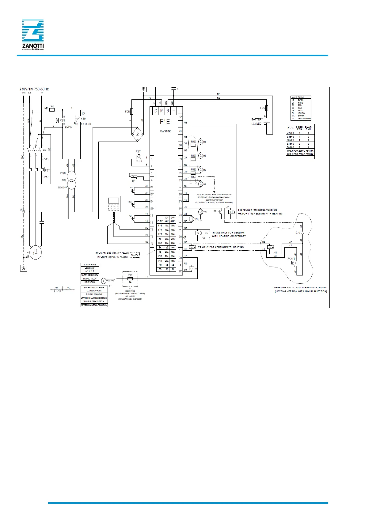
3.19.4 Wiring diagram with the heating kit installed
Figure 78 - Wiring diagram with heating kit

Table of Contents

Related product manuals