EasyManua.ls Logo

2easy DMR21/S8 - Mounting; System Connection

Default Icon
21 pages
Print Icon
To Next Page IconTo Next Page
To Next Page IconTo Next Page
To Previous Page IconTo Previous Page
To Previous Page IconTo Previous Page
Loading...
2 EASY
INSTALLATION GUIDE
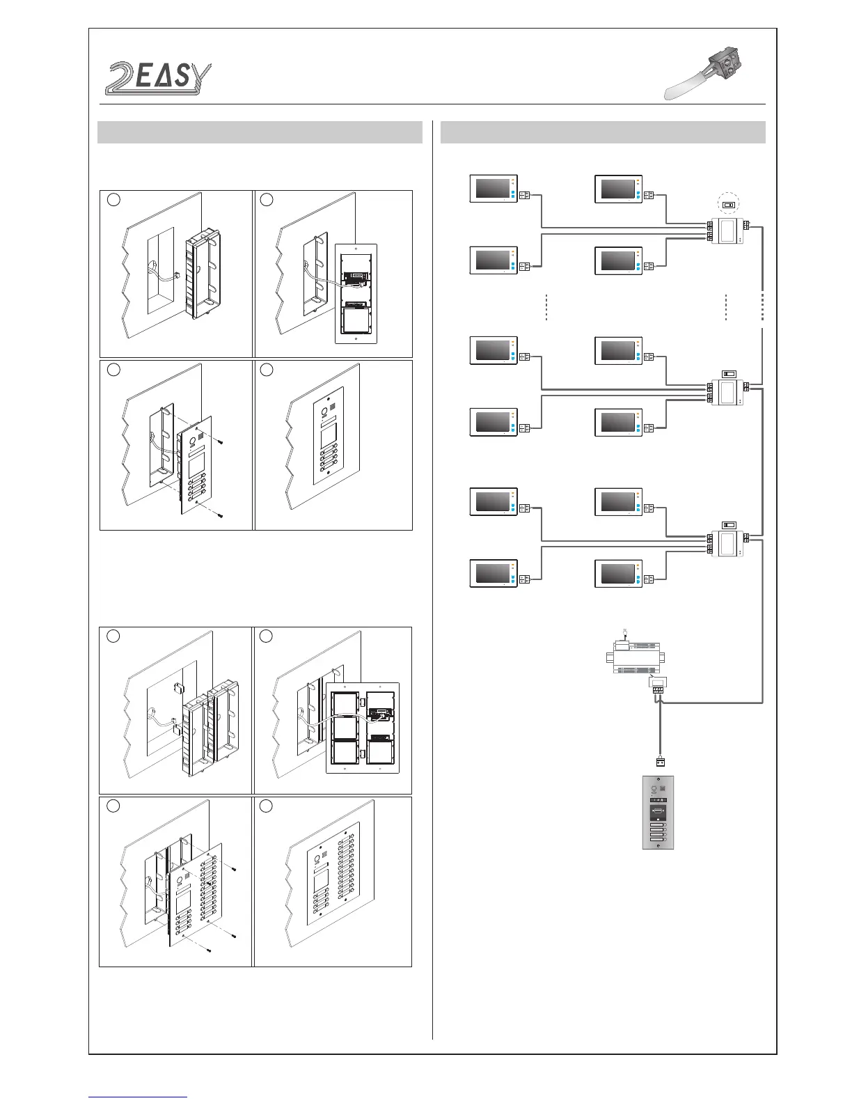
MOUNTING SYSTEM CONNECTION
Mounting with expanding panel
1 2
3
4
Cut a hole and install the wall box
Final resultUse screws to fasten the panel
Connect and plug bus line connector with cable
1 2
3
4
Cut a hole and install the wall box
Final result
Use the screws to fasten the panel
Connect and plug bus line connector with cable
Standard mounting
RF CARD
OFF ON
OFF ON
DBC4A
A B C D
DBC4A
A B C D
Impedance
switch
Impedance
switch
100~240VAC
BUS(IM) BUS(DS)
PC6
AC~
OFF ON
DBC4A
A B C D
Impedance
switch
Code=2
9
Code=3
1
Code=
30
Code=3
2
Code=
5
Code=
7
Code=
6
Code=
8
Code=
1
Code=
3
Code=
2
Code=
4
DMR21 Technical Manual -3-

Related product manuals