EasyManua.ls Logo

3M Pentamix 2 - 7 Circuit Diagram; Drawings; Spare Parts List; Circuit Diagram

3M Pentamix 2
33 pages
Print Icon
To Next Page IconTo Next Page
To Next Page IconTo Next Page
To Previous Page IconTo Previous Page
To Previous Page IconTo Previous Page
Loading...
Vers. (11/02)
Pentamix
TM
2
23
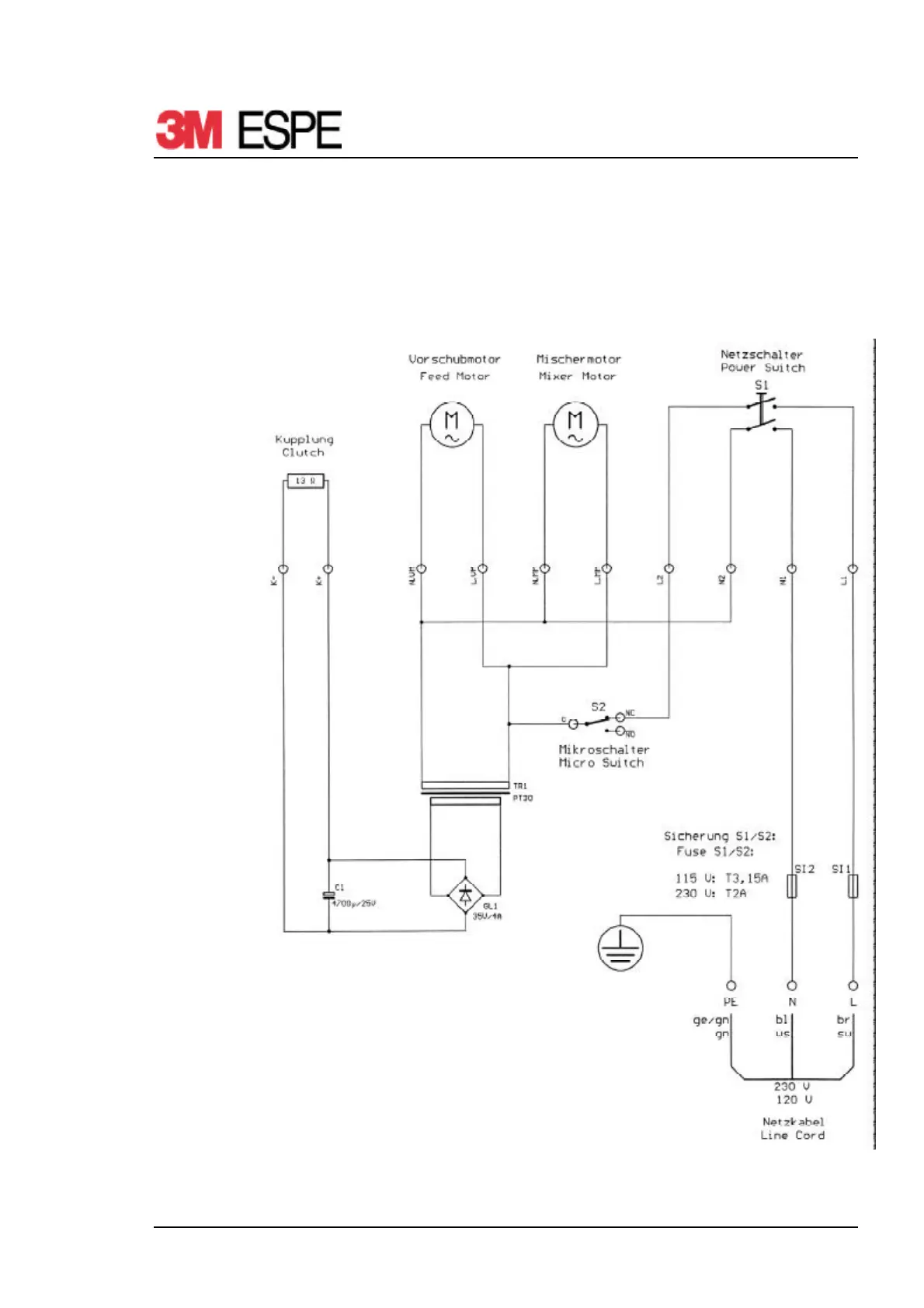
Circuit Diagram / Drawings / Spare Parts List
7 Circuit Diagram / Drawings / Spare Parts List
7.1 Circuit Diagram
Pentamix
TM
2

Related product manuals