EasyManua.ls Logo

3M Pentamix 2 - Drawings

3M Pentamix 2
33 pages
Print Icon
To Next Page IconTo Next Page
To Next Page IconTo Next Page
To Previous Page IconTo Previous Page
To Previous Page IconTo Previous Page
Loading...
Vers. (11/02)
Pentamix
TM
2
24
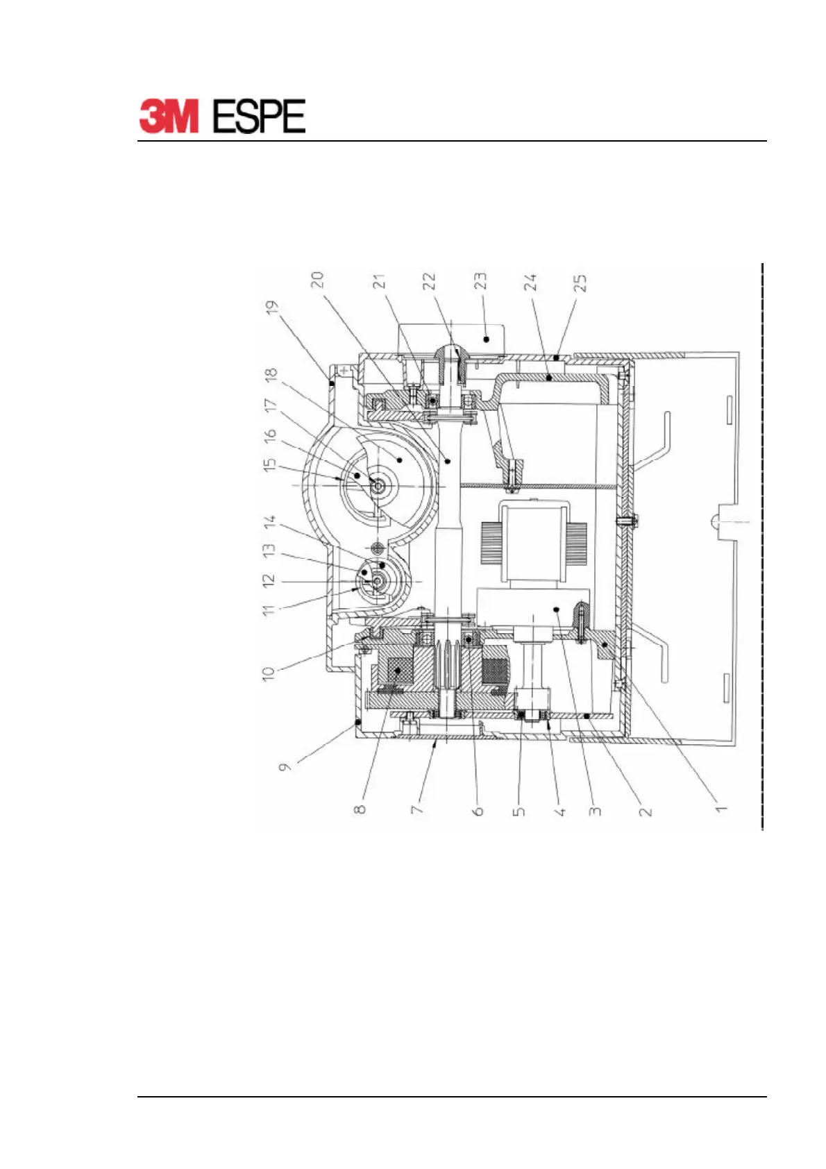
Circuit Diagram / Drawings / Spare Parts List
7.2 Drawings

Related product manuals