EasyManua.ls Logo

A.O. Smith VB-500 - Schematic Diagram

A.O. Smith VB-500
24 pages
Print Icon
To Next Page IconTo Next Page
To Next Page IconTo Next Page
To Previous Page IconTo Previous Page
To Previous Page IconTo Previous Page
Loading...
8
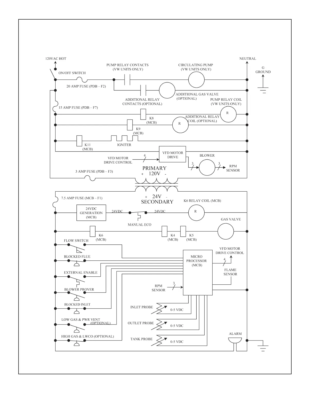
FIGURE 1. - SCHEMATIC DIAGRAM
VB/VW-500, 750 & 1000 SCHEMATIC DIAGRAM

Related product manuals