EasyManua.ls Logo

ABB AC 800M - Page 88

ABB AC 800M
118 pages
Print Icon
To Next Page IconTo Next Page
To Next Page IconTo Next Page
To Previous Page IconTo Previous Page
To Previous Page IconTo Previous Page
Loading...
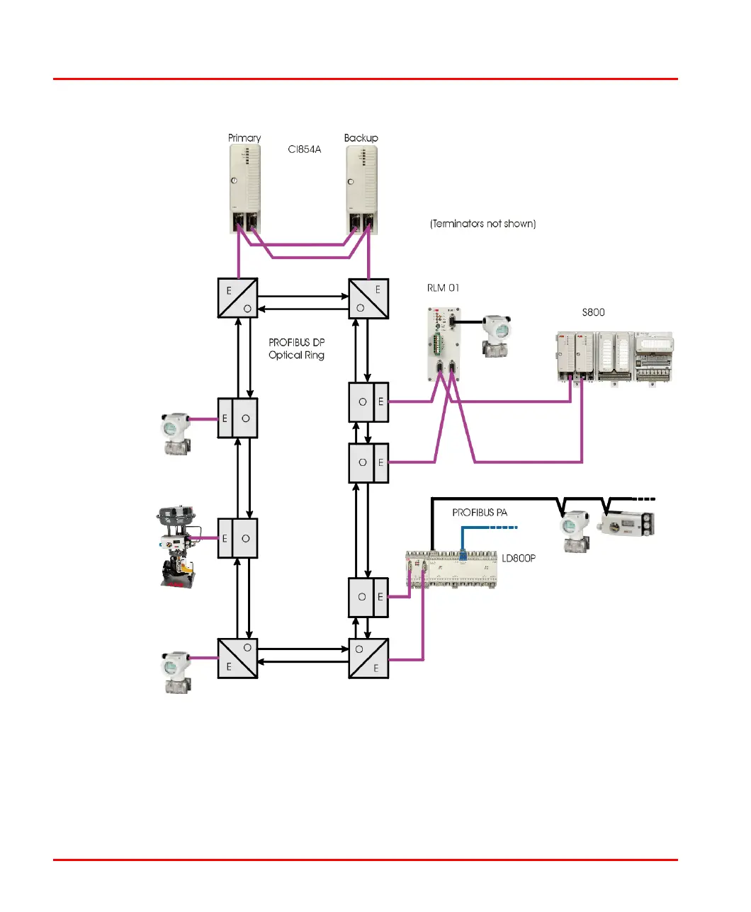
Optical link modules and AC 800M in a ring topology Section 3 Fieldbus Topologies
88 3BDS009029R5001 B
Figure 32. Redundant optical ring

Table of Contents

Other manuals for ABB AC 800M

Related product manuals