EasyManua.ls Logo

ABB ACS600 - Dimensional Drawings

ABB ACS600
28 pages
Print Icon
To Next Page IconTo Next Page
To Next Page IconTo Next Page
To Previous Page IconTo Previous Page
To Previous Page IconTo Previous Page
Loading...
du/dt Filters Installation Guide
19
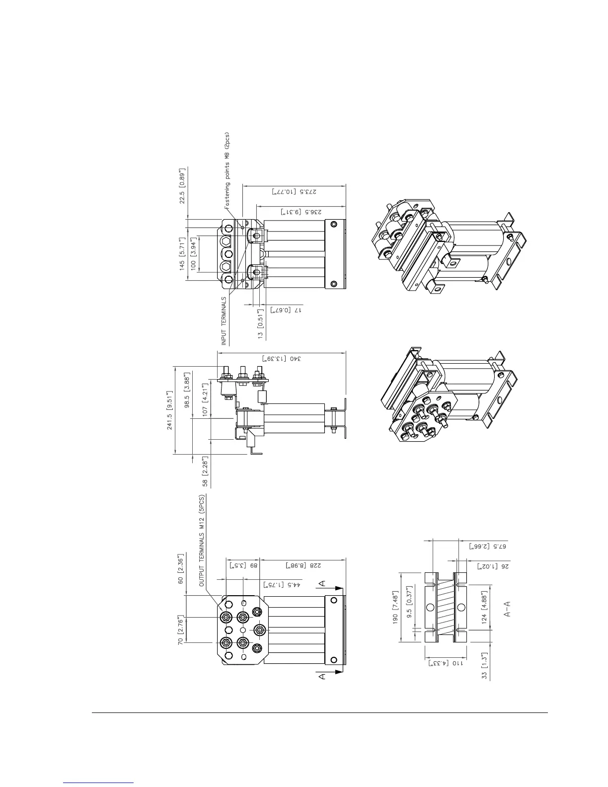
Dimensional drawings
AOCH0260-70, single phase filter
du/dt filter kit includes 3 pieces of single phase filters.

Related product manuals