EasyManua.ls Logo

ABB ACS800 - Page 154

ABB ACS800
162 pages
Print Icon
To Next Page IconTo Next Page
To Next Page IconTo Next Page
To Previous Page IconTo Previous Page
To Previous Page IconTo Previous Page
Loading...
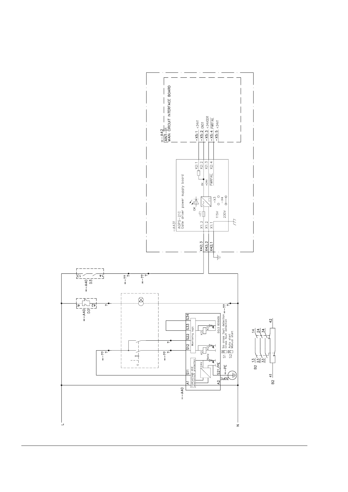
Circuit diagrams
154
00362825 B
ACS800-04/04M drive module
Components to be provided and wired by the user
Safety relay

Table of Contents

Other manuals for ABB ACS800

Related product manuals