EasyManua.ls Logo

ABB ACS880-04XT - Page 108

ABB ACS880-04XT
664 pages
To Next Page IconTo Next Page
To Next Page IconTo Next Page
To Previous Page IconTo Previous Page
To Previous Page IconTo Previous Page
Loading...
108 Program features
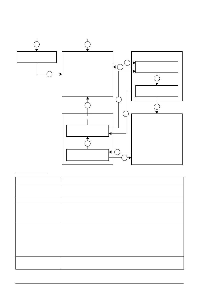
Brake state diagram
State descriptions
State name Description
BRAKE DISABLED Brake control is disabled (parameter 44.06 Brake control enable = 0, and 44.01
Brake control status b4 = 0). The brake is closed (44.01 Brake control status
b0 = 0).
BRAKE OPENING:
BRAKE OPENING WAIT Brake has been requested to open. The drive logic is requested to increase the
torque up to opening torque to hold the load in place (44.01 Brake control status
b1 = 1 and b2 = 1). The state of 44.11 Keep brake closed is checked; if it is not
0 within a reasonable time, the drive trips on a 71A5 Mechanical brake opening
not allowed fault*.
BRAKE OPENING DELAY Opening conditions have been met and open signal activated (44.01 Brake
control status b0 is set). The opening torque request is removed (44.01 Brake
control status b1
0). The load is held in place by the speed control of the
drive until 44.08 Brake open delay elapses.
At this point, if 44.07 Brake acknowledge selection is set to No acknowledge,
the logic proceeds to BRAKE OPEN state. If an acknowledgment signal source
has been selected, its state is checked; if the state is not “brake open”, the drive
trips on a 71A3 Mechanical brake opening failed fault*.
BRAKE OPEN The brake is open (44.01 Brake control status b0 = 1). Hold request is removed
(44.01 Brake control status b2
=
0), and the drive is allowed to follow the
reference.
BRAKE CLOSING
DELAY
BRAKE CLOSING WAIT
BRAKE DISABLED BRAKE OPENING
BRAKE OPENING WAIT
BRAKE OPENING
DELAY
BRAKE CLOSED
BRAKE OPENBRAKE CLOSING
(from any state)
1
(from any state)
2
3
4
5
6
6
6
7
8
9
3
10

Table of Contents

Other manuals for ABB ACS880-04XT

Related product manuals