EasyManua.ls Logo

ABB ACS880-104

ABB ACS880-104
46 pages
To Next Page IconTo Next Page
To Next Page IconTo Next Page
To Previous Page IconTo Previous Page
To Previous Page IconTo Previous Page
Loading...
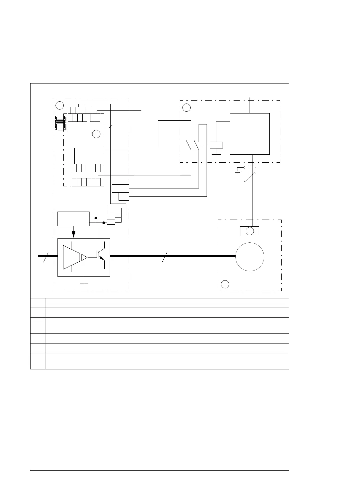
Connection diagram (one-channel connection)
The diagram below shows the wiring of the one-channel connection. The system integrator
must get the components and do the installations drawn outside the drive border line.
3
24 240 V AC / DC
XSTO
1
2
3
4
1 2 3 4 1 2
24 V / 1 A
X111 X112
X110
X112
1 234 10
1 2 3 4 10
X113
X114
a)
3
~
Ex M
1
2
3
4
+24VD
DI6
5
Drive1
FSO module2
ATEX-compliant protection relay. The relay monitors a sensor circuit, and de-energizes the FSO module
input by opening the control circuits when necessary.
3
Motor temperature sensor4
Potentially explosive atmosphere5
Connect to a digital input on the control board for the protection relay status indication. In this example,
digital input DI6 is in use.
a)
In this one-channel connection, there is no redundant connection between the protection
relay and FSO module. But the STO connection signal between the FSO module and STO
circuit is redundant.
Sensors
Make sure that the sensor type and the on-off resistances of the used sensors agree with
the protection relay specifications. See the requirements for sensors and installation from
the documentation of the protection relay.
22 Implementing a motor thermal protection circuit

Table of Contents

Other manuals for ABB ACS880-104

Related product manuals