EasyManua.ls Logo

ABB IRB 1600ID - Page 63

ABB IRB 1600ID
285 pages
Print Icon
To Next Page IconTo Next Page
To Next Page IconTo Next Page
To Previous Page IconTo Previous Page
To Previous Page IconTo Previous Page
Loading...
2 Installation and commissioning
2.3.6. Fitting equipment on the robot (robot dimensions)
613HAC026660-001 Revision: C
© Copyright 2006-2008 ABB. All rights reserved.
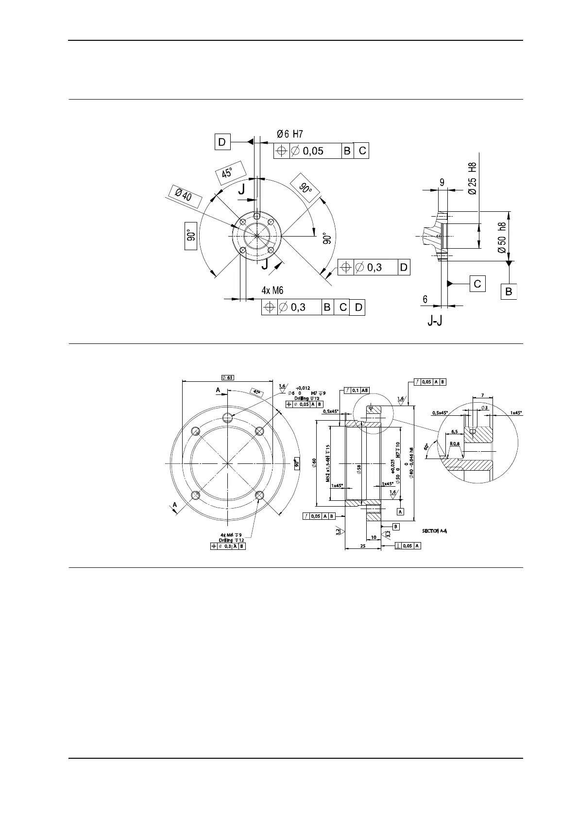
Dimensions of the turning disk
The figure below shows the dimensions of the turning disk.
xx0200000063
Dimensions of the turning disk 1600ID
The figure below shows the dimensions of the turning disk on a IRB 1600ID
xx0700000090
Fastener quality
When fitting tools on the turning disk, use only screws with quality 12.9. When fitting
equipment on other places, standard screws with quality 8.8 can be used.
Continued

Table of Contents

Related product manuals