EasyManua.ls Logo

ABB PSE18 - Page 185

ABB PSE18
192 pages
Print Icon
To Next Page IconTo Next Page
To Next Page IconTo Next Page
To Previous Page IconTo Previous Page
To Previous Page IconTo Previous Page
Loading...
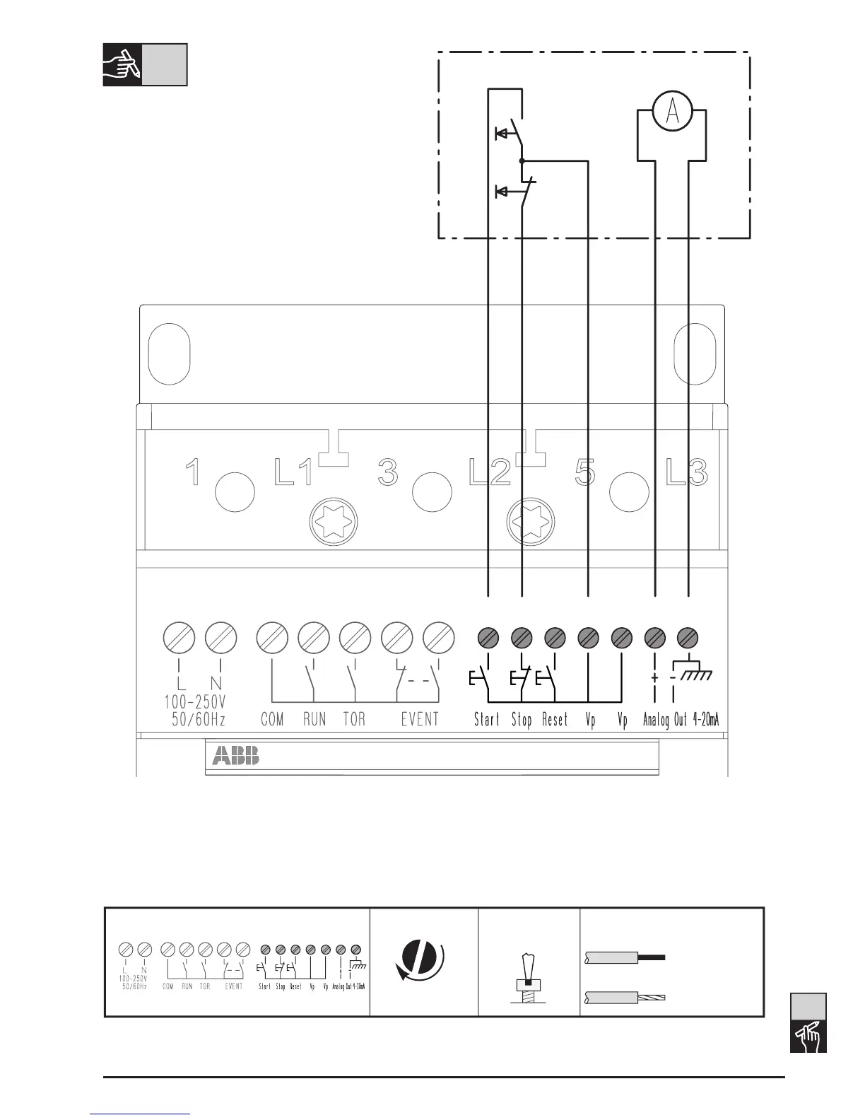
Softstarters Type PSE18...PSE370 User Manual short form 1SFC132059M9901 185
11
PSE 18-600-70
1SFC132278F0001
812 34567 91011121314
Start
Stop
1234567
8910 11
12 13
0,2 .. 2,5 mm
2
2x0,2 .. 1,5 mm
2
0,2 .. 2,5 mm
2
2x0,2 .. 1,5 mm
2
AWG 12 ... 24
0,5 Nm - 4,3 lb.in
3,5 x 0,6 mm
(0.138 x 0.024 in)
1SFC132282F0001
M3
14

Other manuals for ABB PSE18

Related product manuals