EasyManua.ls Logo

ABB REB650 - Page 50

ABB REB650
322 pages
Print Icon
To Next Page IconTo Next Page
To Next Page IconTo Next Page
To Previous Page IconTo Previous Page
To Previous Page IconTo Previous Page
Loading...
L1
IL1
IL2
IL3
L2 L3
Protected Object
CT 800/1
Star Connected
IL1
IL2
IL3
IED
IEC11000026-4-en.vsdx
4
1
2
3
SMAI2
BLOCK
REVROT
^GRP2L1
^GRP2L2
^GRP2L3
^GRP2N
AI3P
AI1
AI2
AI3
AI4
AIN
5
IN
IEC11000026 V4 EN-US
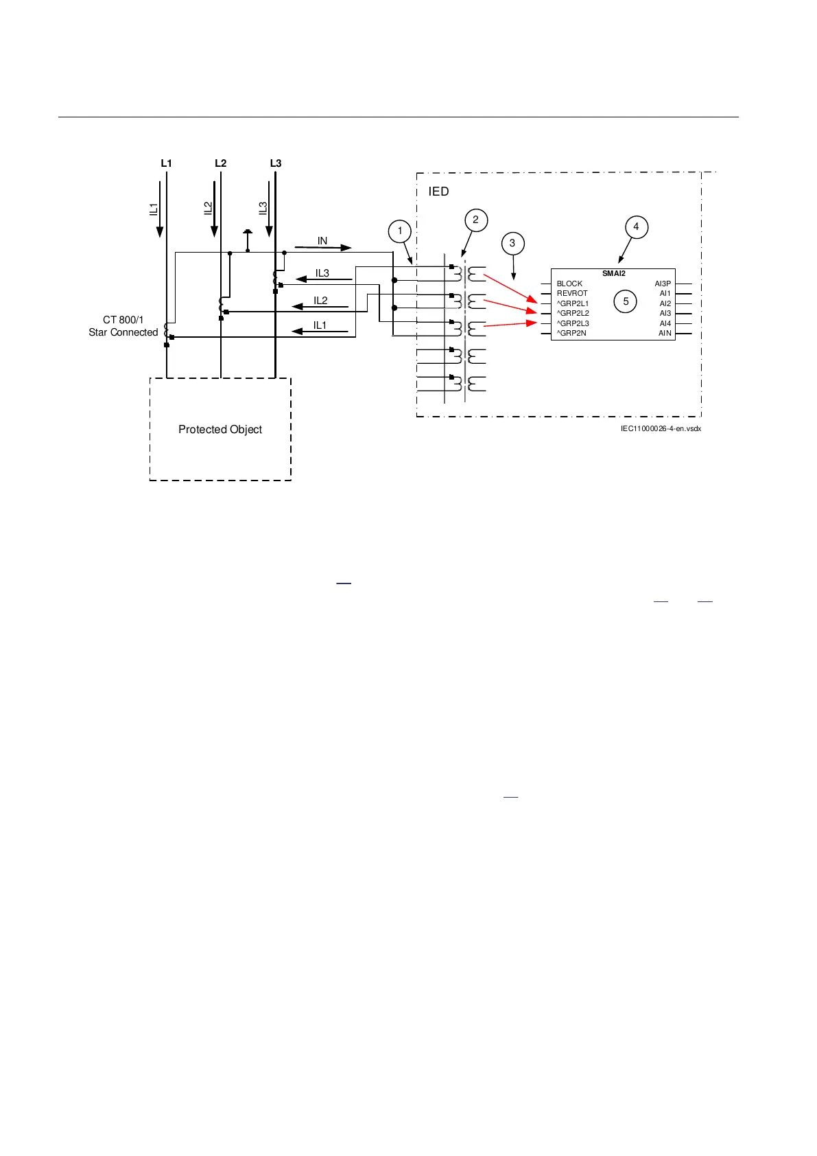
Figure 11: Star connected three-phase CT set with its star point away from the protected object
In the example, everything is done in a similar way as in the above described
example (Figure 10). The only difference is the setting of the parameter
CTStarPoint of the used current inputs on the TRM (item 2 in Figure 11 and 10):
CTprim=600A
CTsec=5A
CTStarPoint=FromObject
The ratio of the first two parameters is only used inside the IED. The third
parameter as set in this example will negate the measured currents in order to
ensure that the currents are measured towards the protected object within the IED.
A third alternative is to have the residual/neutral current from the three-phase CT
set connected to the IED as shown in Figure
11.
Section 4 1MRK 505 388-UEN B
Analog inputs
44 Busbar protection REB650 2.2 IEC
Application manual

Table of Contents

Other manuals for ABB REB650

Related product manuals