EasyManua.ls Logo

ABB REF615 E - Page 174

ABB REF615 E
896 pages
Print Icon
To Next Page IconTo Next Page
To Next Page IconTo Next Page
To Previous Page IconTo Previous Page
To Previous Page IconTo Previous Page
Loading...
MF
MF
MF
MF MF MF MF
MF
MF
INCOMING
GNIOGTUOGNIOGTUOEIT_SUBEIT-SUBGNIOGTUOGNIOGTUO
INCOMING
MEASUREMENT
PH3LPTOC
PH3HPTOC
PH3IPTOC
CCBRBRF
INRPHAR
PH3LPTOC
PH3HPTOC
PH3IPTOC
CCBRBRF
PH3LPTOC
PH3HPTOC
PH3IPTOC
CCBRBRF
Blocking output
(Outgoing feeder
PH3HPTOC START)
Blocking output
(Outgoing feeder
PH3HPTOC START)
PH3LPTOC
PH3HPTOC
PH3IPTOC
CCBRBRF
B
L
O
C
K
in
Blocking output
(PH3HPTOC
START)
B
L
O
C
K
i
n
PH3LPTOC
PH3HPTOC
PH3IPTOC
CCBRBRF
INRPHAR
BLOCK in
BLOCK in
Blocking output
(PH3HPTOC
START)
BLO
CK
in
HV-side
LV-side
HV-side
LV-side
MEASUREMENT
GUID-F7E5C2F1-FDF4-490D-B69D-6535FCEDBDE4 V1 EN
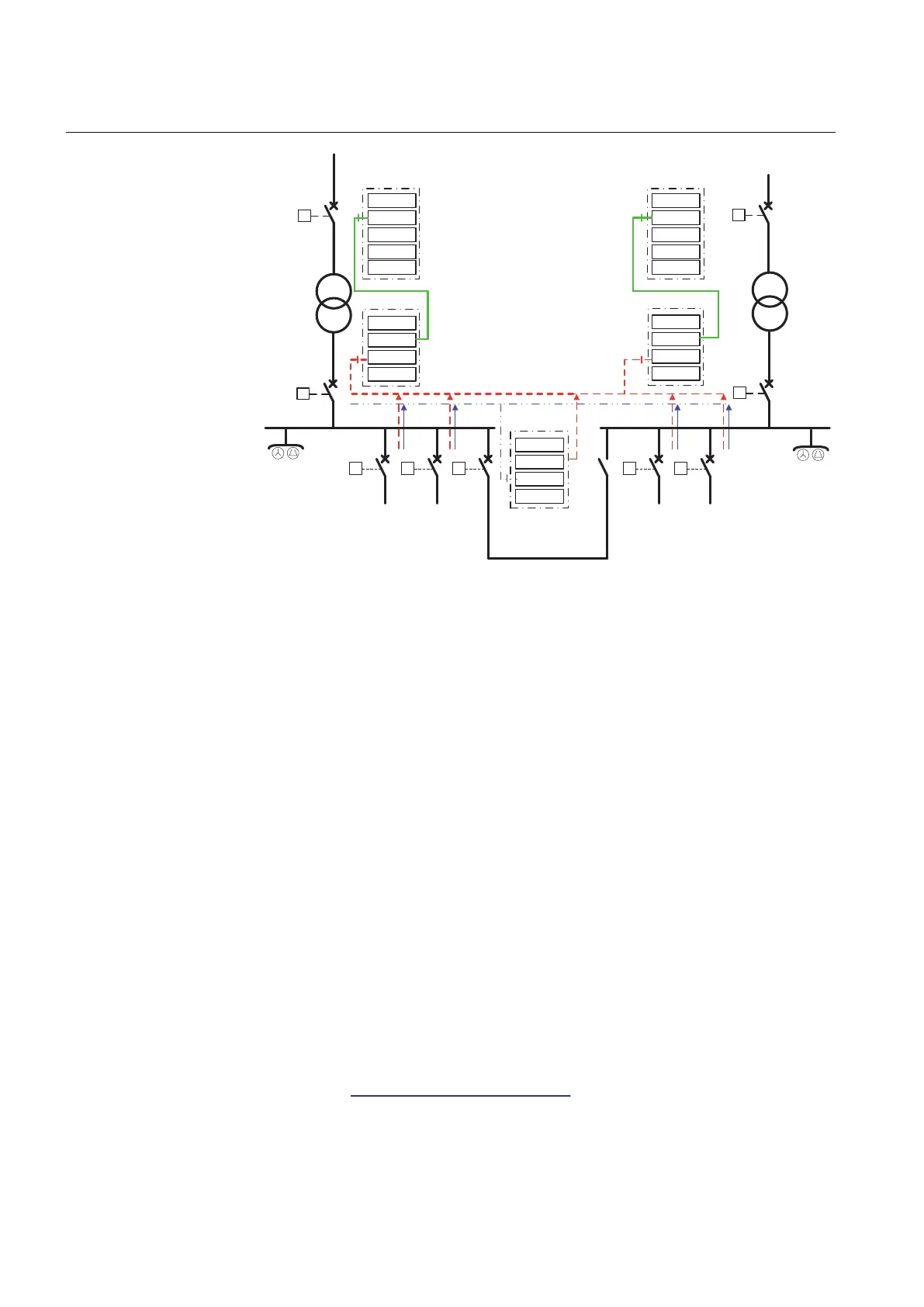
Figure 81: Numerical overcurrent protection functionality for a typical sub-
transmission/distribution substation (feeder protection not shown).
Blocking output = digital output signal from the start of a protection
stage, Blocking in = digital input signal to block the operation of a
protection stage
The operating times of the time-selective stages are very short, because the grading
margins between successive protection stages can be kept short. This is mainly due
to the advanced measuring principle allowing a certain degree of CT saturation,
good operating accuracy and short retardation times of the numerical units. So, for
example, a grading margin of 150 ms in the DT mode of operation can be used,
provided that the circuit breaker interrupting time is shorter than 60 ms.
The sensitivity and speed of the current-selective stages become as good as
possible due to the fact that the transient overreach is practically zero. Also, the
effects of switching inrush currents on the setting values can be reduced using the
IED logic which recognizes the transformer-energizing inrush current and blocks
the operation or multiplies the current start value setting of the selected overcurrent
stage with a predefined multiplier setting.
Finally, a dependable trip of the overcurrent protection is secured by both a proper
selection of the settings and an adequate ability of the measuring transformers to
reproduce the fault current. This is important in maintaining selectivity and also for
the protection to operate without additional time delays. Additional information
about available measuring modes and current transformer requirements can be
found in the
General function block features section in this manual.
Section 4 1YHT530004D05 D
Protection functions
168 615 series
Technical Manual

Table of Contents

Related product manuals