EasyManua.ls Logo

ABB REL301 - Page 127

ABB REL301
132 pages
Print Icon
To Next Page IconTo Next Page
To Next Page IconTo Next Page
To Previous Page IconTo Previous Page
To Previous Page IconTo Previous Page
Loading...
I.L. 40-386.3
5-20 (10/94)
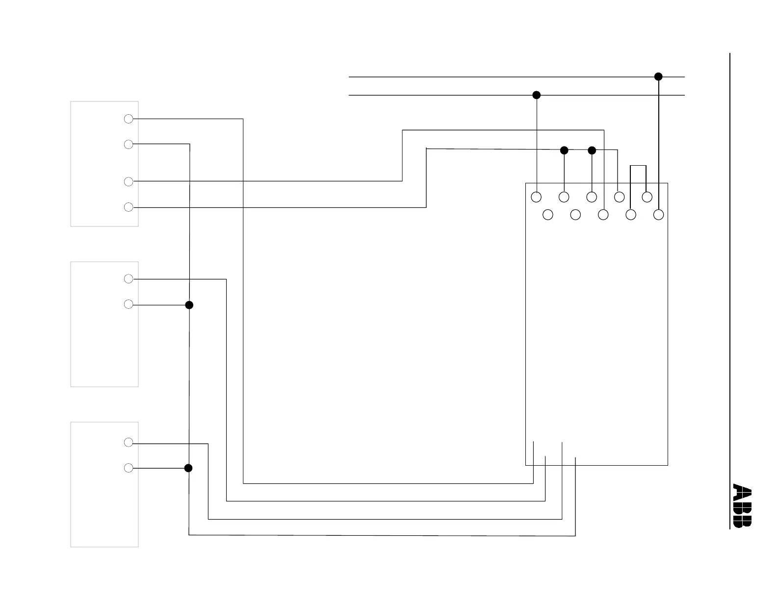
Figure 5-4. Test Connection for AØ - Ground Test
+
-
Va
Vb
Vc
If
+
-
+
-
+
-
20
19
18
17
16
15
14
11
12
13
REL 301/302
(Front View)
Rated dc Voltage
(+)
(-)
(Check Nameplate)
Install this jumper if dual
polarizing not used

Related product manuals