EasyManua.ls Logo

ABB REL301 - Rel 301;302 System

ABB REL301
132 pages
Print Icon
To Next Page IconTo Next Page
To Next Page IconTo Next Page
To Previous Page IconTo Previous Page
To Previous Page IconTo Previous Page
Loading...
I.L. 40-386.3
4-14 (10/94)
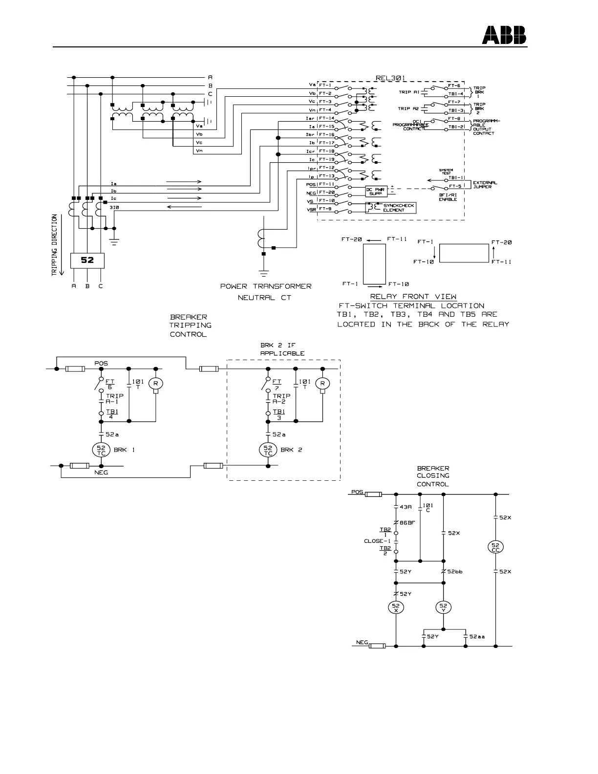
Figure 4-2. REL 301/302 Systems External Connection
*Sub 2
1613C80
Sheet 1 of 2
LEGEND
43 – CONTROL SWITCH, AUTOMATIC, MANUAL (CLOSED IN AUTOMATIC)
52 – CIRCUIT BREAKER
aa – AUX. SW. (EARLY CLOSE WHEN BREAKER CLOSES)
a – AUX. SW (CLOSED WHEN BREAKER IS CLOSED)
bb – AUX. SW. (EARLY CLOSE WHEN BREAKER OPENS)
b – AUX. SW. (CLOSED WHEN BREAKER IS OPEN)
CC – CLOSE COIL
TC TRIP COIL
X – CLOSE AUX.
Y – ANTI-PUMP
86BF – BREAKER FAILURE LOCKOUT
101 – BREAKER CONTROL SWITCH
C – CLOSED CONTACE
T – TRIP CONTACT
Jumper between BFI/RI ENA
and Sys Test required to
enable BFI and RI functions

Related product manuals