EasyManua.ls Logo

ABB REL301 - Page 50

ABB REL301
132 pages
Print Icon
To Next Page IconTo Next Page
To Next Page IconTo Next Page
To Previous Page IconTo Previous Page
To Previous Page IconTo Previous Page
Loading...
I.L. 40-386.3
(10/94) 2-29
9655A81
Sub 1
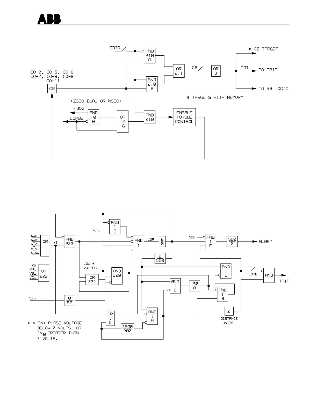
Figure 2-9. Inverse Time Overcurrent Ground Backup Logic
Figure 2-10. Loss-of-Potential Logic
9655A82
Sub 3

Related product manuals