EasyManua.ls Logo

ABB REL301 - Page 59

ABB REL301
132 pages
Print Icon
To Next Page IconTo Next Page
To Next Page IconTo Next Page
To Previous Page IconTo Previous Page
To Previous Page IconTo Previous Page
Loading...
I.L. 40-386.3
2-38 (10/94)
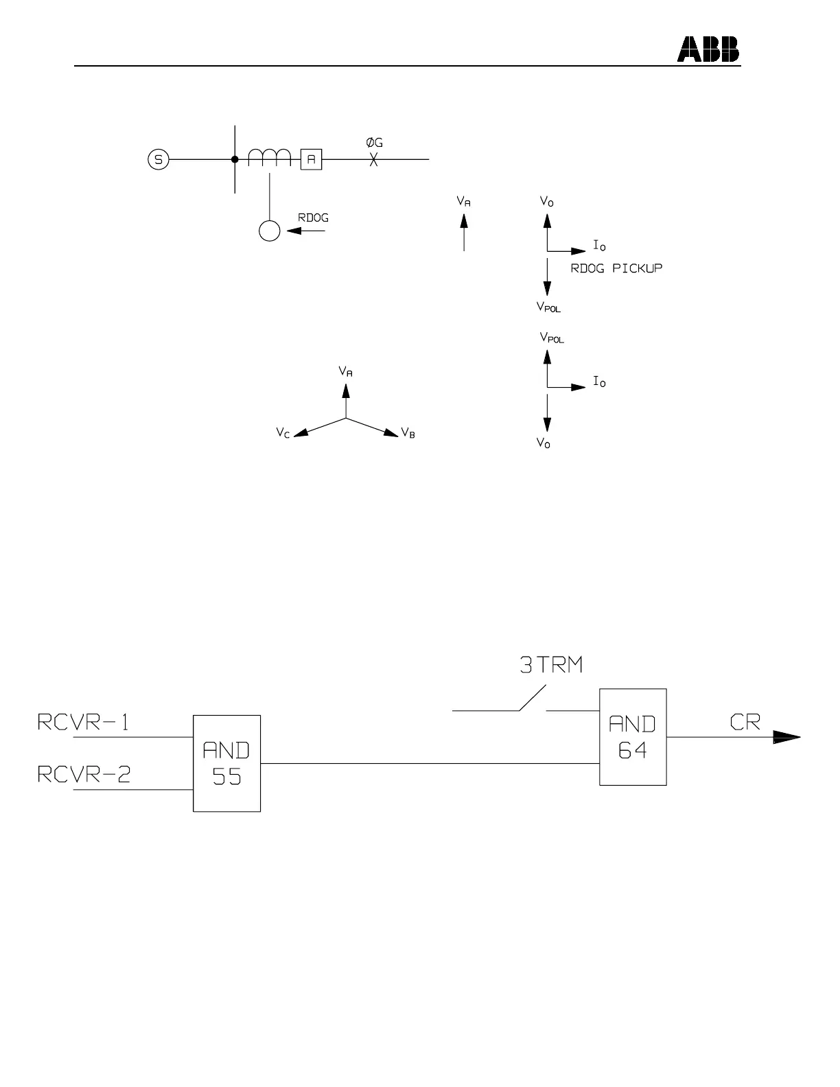
Figure 2-27. Unequal Pole Closing on Fault
9654A29
Sub 1
Figure 2-28. Additional Logic for POTT/Unblocking Schemes on 3-Terminal Line Application
9654A30
Sub 1

Related product manuals