EasyManua.ls Logo

ABB REL301 - Page 61

ABB REL301
132 pages
Print Icon
To Next Page IconTo Next Page
To Next Page IconTo Next Page
To Previous Page IconTo Previous Page
To Previous Page IconTo Previous Page
Loading...
I.L. 40-386.3
2-40 (10/94)
1501B84
Sub 6
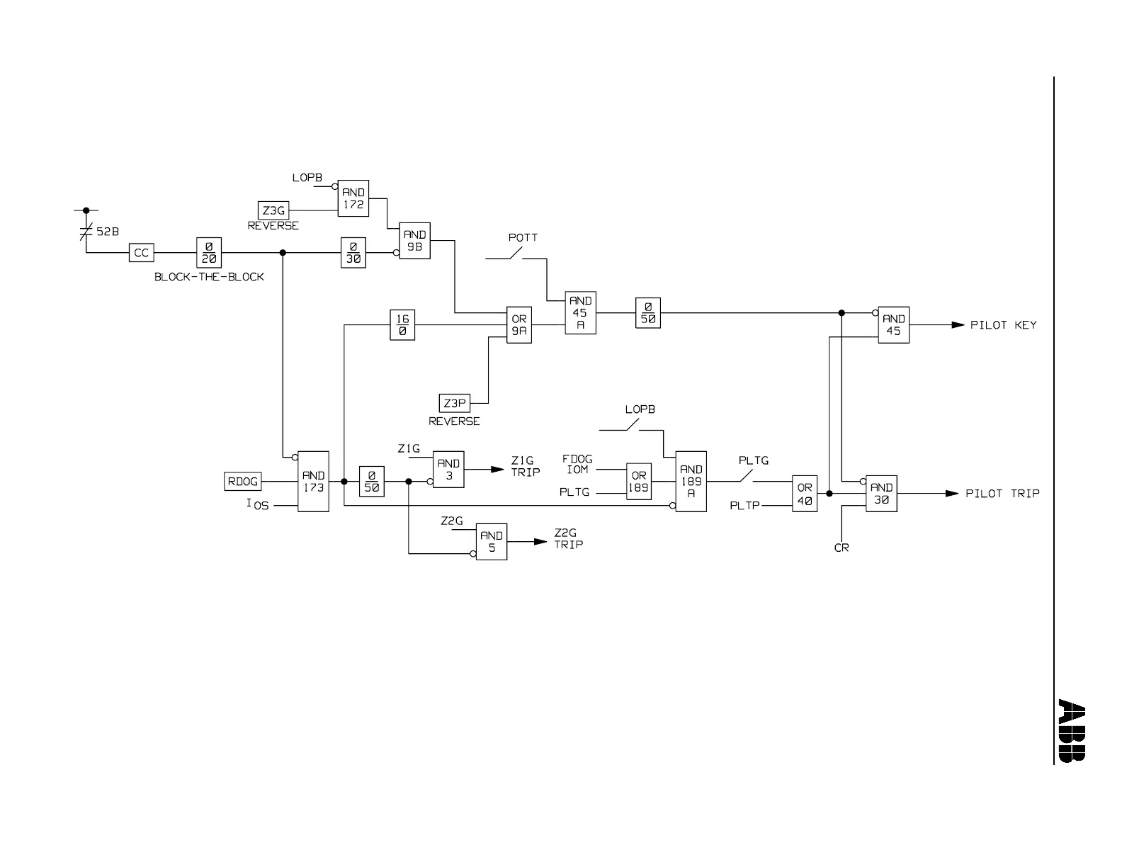
Figure 2-31. Reversible Zone3 Phase and Ground (Reverse Block Logic)

Related product manuals