EasyManua.ls Logo

ABB REM615 B - Page 359

ABB REM615 B
896 pages
Print Icon
To Next Page IconTo Next Page
To Next Page IconTo Next Page
To Previous Page IconTo Previous Page
To Previous Page IconTo Previous Page
Loading...
GUID-CED6A87F-980C-408D-B069-99ACDF1ACE86 V2 EN
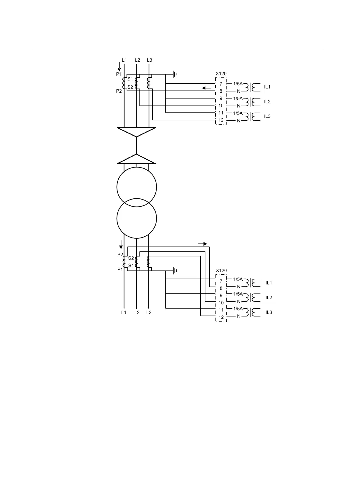
Figure 185: Connection example of current transformers of Type 1
1YHT530004D05 D Section 4
Protection functions
615 series 353
Technical Manual

Table of Contents

Related product manuals