EasyManua.ls Logo

ABB REM615 B - Page 360

ABB REM615 B
896 pages
Print Icon
To Next Page IconTo Next Page
To Next Page IconTo Next Page
To Previous Page IconTo Previous Page
To Previous Page IconTo Previous Page
Loading...
GUID-BFA25E96-B9FC-49F8-A8E2-23F2B5548490 V2 EN
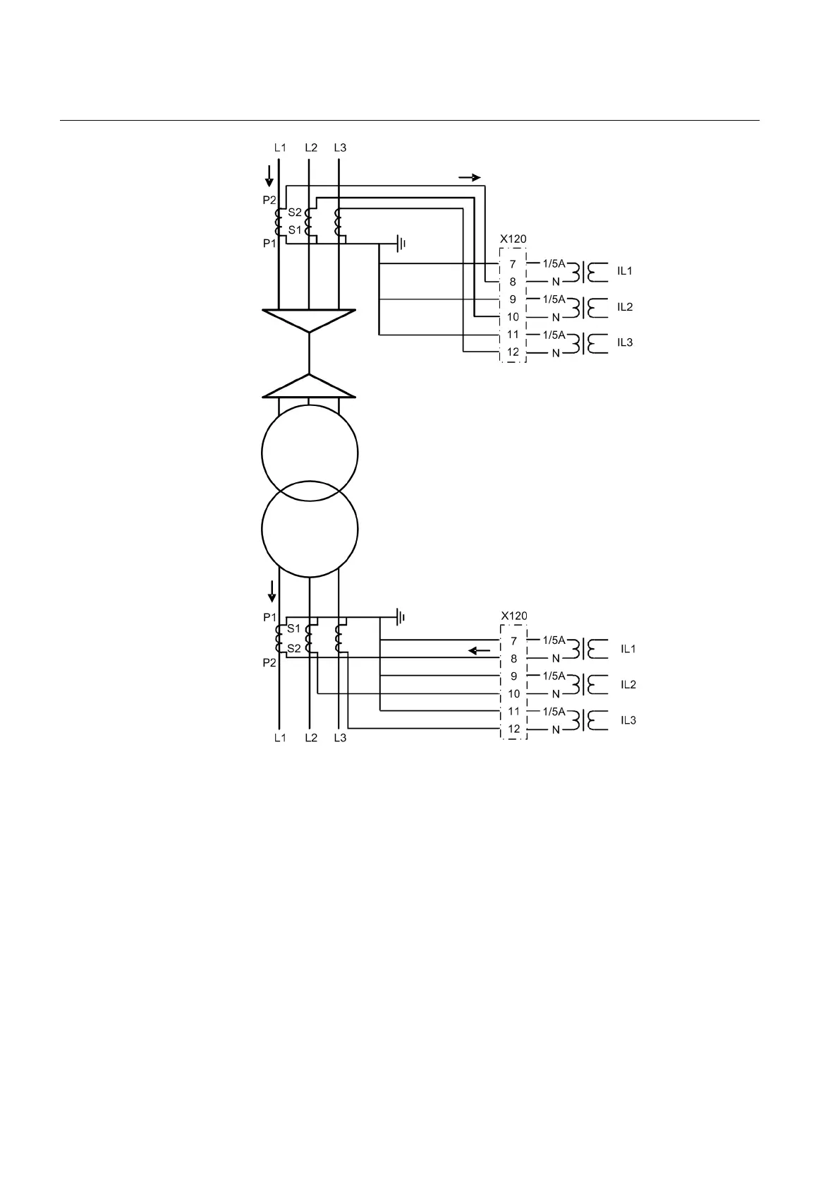
Figure 186: Connection example of current transformers of Type 1
Section 4 1YHT530004D05 D
Protection functions
354 615 series
Technical Manual

Table of Contents

Related product manuals