EasyManua.ls Logo

ABB REM615 B - Page 361

ABB REM615 B
896 pages
Print Icon
To Next Page IconTo Next Page
To Next Page IconTo Next Page
To Previous Page IconTo Previous Page
To Previous Page IconTo Previous Page
Loading...
GUID-C49F5640-2FBD-4758-8C8B-7292130648CF V2 EN
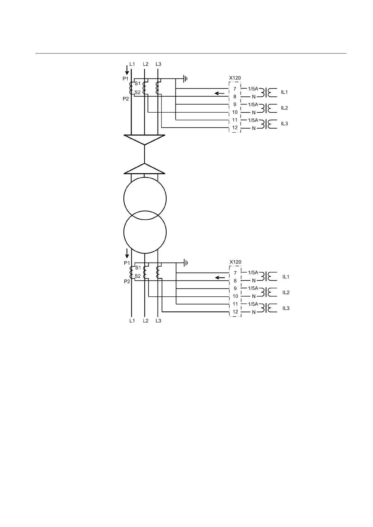
Figure 187: Connection example of current transformers of Type 2
1YHT530004D05 D Section 4
Protection functions
615 series 355
Technical Manual

Table of Contents

Related product manuals