EasyManua.ls Logo

ABB REM615 B - Page 362

ABB REM615 B
896 pages
Print Icon
To Next Page IconTo Next Page
To Next Page IconTo Next Page
To Previous Page IconTo Previous Page
To Previous Page IconTo Previous Page
Loading...
GUID-11ABD3BA-877D-411A-A970-3B6D5BA05803 V2 EN
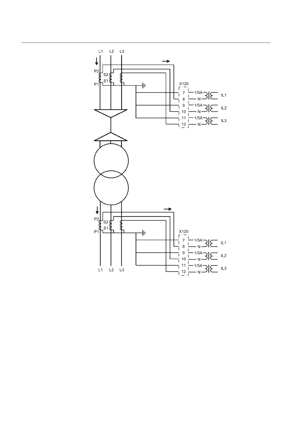
Figure 188: Connection example of current transformers of Type 2
Transformer vector group matching
Before differential and bias currents can be calculated, the phase difference of the
currents must be vector group matched based on the transformer connection type.
The vector group of the power transformer is numerically matched on the high
voltage and low voltage sides by means of the Winding selection, Winding 1 type,
Winding 2 type and Clock number settings. Thus no interposing CTs are needed if
there is only a power transformer inside the protected zone. The matching is based
on phase shifting and a numerical delta connection in the IED. If the neutral of a star-
connected power transformer is earthed, any earth-fault in the network is perceived
by the IED as a differential current. The elimination of the zero-sequence
Section 4 1YHT530004D05 D
Protection functions
356 615 series
Technical Manual

Table of Contents

Related product manuals