EasyManua.ls Logo

Abit AG8 - Floppy and IDE Disk Drive Connectors

Abit AG8
80 pages
Print Icon
To Next Page IconTo Next Page
To Next Page IconTo Next Page
To Previous Page IconTo Previous Page
To Previous Page IconTo Previous Page
Loading...
Hardware Setup 2-15
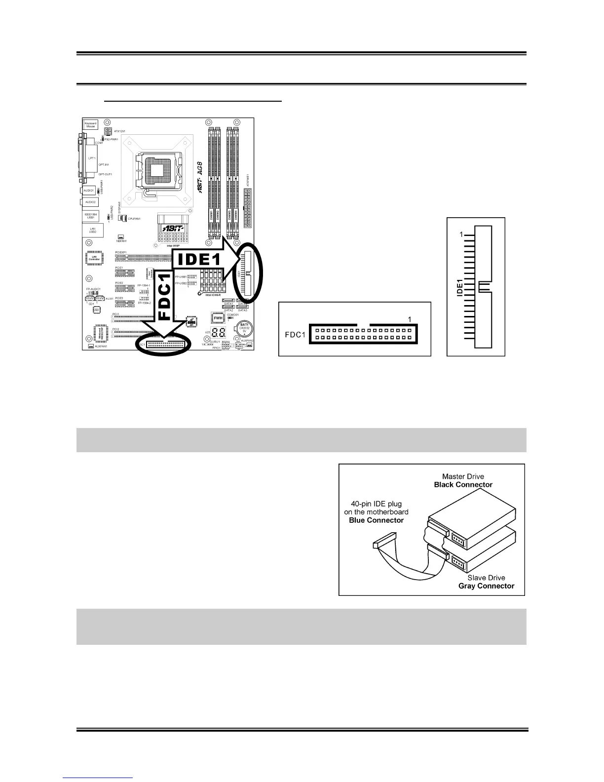
(11). Floppy and IDE Disk Drive Connectors
The FDC1 connector connects up to two floppy drives with a 34-wire, 2-connector floppy cable. Connect
the single end at the longer length of ribbon cable to the FDC1 on the board, the two connectors on the
other end to the floppy disk drives connector. Generally you need only one floppy disk drive in your
system.
NOTE: The red line on the ribbon cable must be aligned with pin-1 on both the FDC1 port and the floppy
connector.
Each of the IDE port connects up to two IDE drives at
Ultra ATA/100 mode by one 40-pin, 80-conductor, and
3-connector Ultra ATA/66 ribbon cables.
Connect the single end (blue connector) at the longer
length of ribbon cable to the IDE port of this board, the
other two ends (gray and black connector) at the shorter
length of the ribbon cable to the connectors of your hard
drives.
NOTE: Make sure to configure the “Master” and “Slave” relation before connecting two drives by one
single ribbon cable. The red line on the ribbon cable must be aligned with pin-1 on both the IDE port and
the hard-drive connector.
User’s Manual

Table of Contents

Related product manuals