EasyManua.ls Logo

Accuphase E-550 - Page 31

Accuphase E-550
33 pages
Print Icon
To Next Page IconTo Next Page
To Next Page IconTo Next Page
To Previous Page IconTo Previous Page
To Previous Page IconTo Previous Page
Loading...
P70
1
P71
2
P72
3
P73
4
P74
5
P75
6
P76
7
P77
8
P00
9
P01
10
P02
11
P03
12
P04
13
P05
14
P06
15
P07
16
P10
17
P11
18
P12
19
P13
20
P14
21
P15
22
P16
23
P17
24
P20
25
TST
26
P21
27
P22
28
/RST
29
XI
30
XO
31
GND
32
VCC
64
P67
63
P66
62
P65
61
P64
60
P63
59
P62
58
P61
57
P60
56
VAR
55
VAS
54
P54
53
P53
52
P52
51
P51
50
P50
49
P47
48
P46
47
P45
46
P44
45
P43
44
P42
43
P41
42
P40
41
P37
40
P36
39
P35
38
P34
37
P33
36
P32
35
P31
34
P30
33
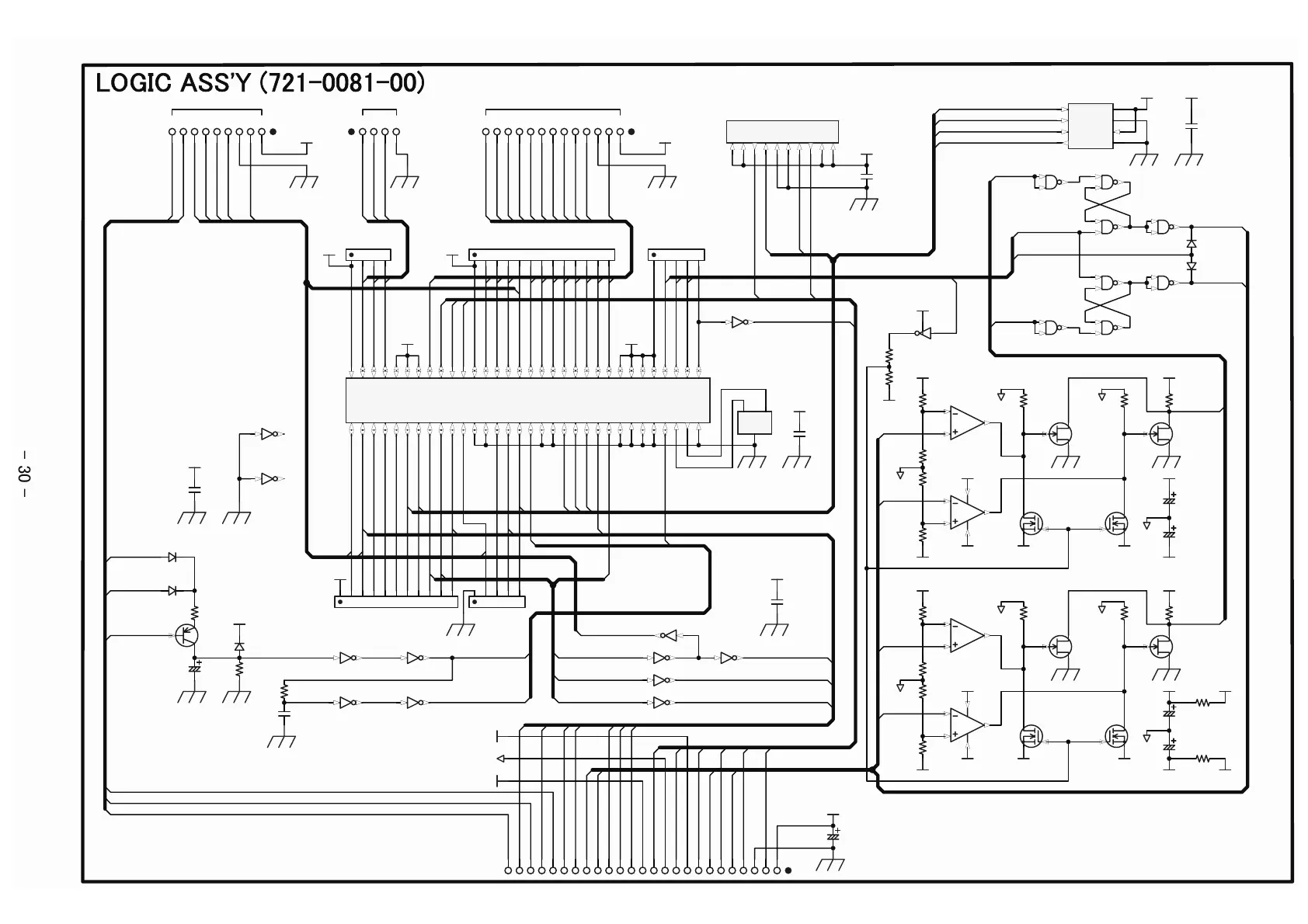
IC1
TMP87PH40AN
XI
1
XO
3
G
2
8.00MHz
XTAL1
527-0025-00
100n
C1
VCC
1
8
2
3
4
IC9A
NJM2903D
7
6
5
IC9B
+15V
-15V
15k
R19
10
R20
10
R14
15k
R17
-15V
+15V
AGND
Q6
2SK2541_
S
-Y
Q8
2SK330_
Q9
2SK2541_
-15V -15V
S
-Y
Q7
2SK330_
30k
R21
AGND
30k
R16
AGND
10k
R18
VCC
Zero_R
Buf_R
Buf_R
22u 16V
C12
+15V
-15V
22u 16V
C11
AGND
1
8
2
3
4
IC7A
NJM2903D
7
6
5
IC7B
+15V
-15V
15k
R10
10
R11
10
R5
15k
R8
-15V
+15V
AGND
Q2
2SK2541_
S
-Y
Q4
2SK330_
Q5
2SK2541_
-15V -15V
S
-Y
Q3
2SK330_
30k
R13
AGND
30k
R7
AGND
10k
R9
VCC
Zero_L
Buf_L
Buf_L
22u 16V
C10
+15V
-15V
22u 16V
C9
AGND
X1
RN2202
VCC
100k
R4
10k
R6
-15V
1
2
3
IC8A
TC74HC00AP
9
10
8
IC8C
12
13
11
IC8D
4
5
6
IC8B
D5
MA165
1
2
3
IC6A
TC74HC00AP
D4
MA165
12
13
11
IC6D
9
10
8
IC6C
4
5
6
IC6B
Zero_R
Zero_L
/LATATN
/LATMON
/LATATR
/LATATL
100n
C8
VCC
22R12
22R15
+15VA
-15VA
EN_ZERO
V1
1
V2
2
O2
3
I1
4
G1
5
G2
6
I2
7
O1
8
V3
9
V4
10
IC4
LB1642
VCC
CS_EEP
SK_EEP
DI_EEP
DO_EEP
100n
C7
VCC
VR-
VR_UP
VR_DOWN
VR+
/LATATN
/LATMON
EN_ZERO
CS_EEP
SK_EEP
DI_EEP
DO_EEP
VR_UP
VR_DOWN
VR-
VR+
Buf_R
Buf_L
/LATATR
/LATATL
/ADCPOL
/RET0
/RET1
/RET2
/RET3
/RCON
/SCAN0
/SCAN1
/SCAN2
/SCAN3
/SCAN4
/ADCPOL
/RET0
/RET1
/RET2
/RET3
/SCAN0
/SCAN1
/SCAN2
/SCAN3
/SCAN4
VCC
GND
VRCNTS
BALCNTS
/SEL_C
/SEL_B
/SEL_A /SEL_C
/SEL_B
/SEL_A
BALCNTS
VCC
GND
VRCNTS
VCC
EN_LED
/LATLED
SDATA
/RCON
VCC
EN_LED
/LATLED
SCLK
SDATA
3 4
IC2B
TC74HC14AP
1 2
IC5A TC74HCU04AP
5 6
IC5C
98
IC5D
13 12
IC5F
SCLK
/LAT_IO
ATNCLK
/LAT_IO
ATNCLK
EN_IO
EN_IO
/SHUTDN
/SHUTDN
ATNDATA
/AD_OP
ATNDATA
/AD_OP
/RST
/RST
SCLK_LED
SCLK_IO
LAT_IO
/ATNCLK
SCLK_LED
SCLK_IO
LAT_IO
/ATNCLK
100n
C6
VCC
SDATA
AGND
+15VA
-15VA
VCC
12k
R1
1u 50V
C2
10k
R2
D3
MA165
VCC
1M
R3
100n
C4
100n
C3
VCC
11 10
IC2E
TC74HC14AP
5 6
IC2C
TC74HC14AP
9 8
IC2D
TC74HC14AP
1 2
IC2A
TC74HC14AP
11 10
IC5E
TC74HCU04AP
/DOTREG
/HPCE
BLANK
/HPRST
100kRA2 100kRA3
INTMON
VCCVCC
VCCVCC
MM/MC
MC/MM
VCC
470u 16V
C5
1
2
3
4
K1
307-0410-00
3 4
IC5B
13 12
IC2F
TC74HC14AP
1
2
3
4
5
6
7
8
9
10
11
12
13
14
15
16
17
18
19
20
21
22
23
24
25
K4
308-2501-00
10kRA5
AC6V_CT
-GR
Q1
2SA1048_
AC6V_CT
MC/MM
to Meter Lamp (K2) to Input Sel (K1)
to Switch (K1)
AC6V_1
AC6V_2
AC6V_1
AC6V_2
AC6V_1
AC6V_2
D2
MA165
D1
MA165
1
2
3
4
5
6
7
8
9
K2
307-0912-00
1
2
3
4
5
6
7
8
9
10
11
12
13
K3
307-1305-00
100kRA1 100kRA4
CS
1
SK
2
DI
3
DO
4
VCC
8
NC
7
ORG
6
GND
5
IC3 M93C46-WBN6P
-
3
0
-
L
O
G
I
C
A
S
S
'
Y
(
7
2
1
-
0
0
8
1
-
0
0
)

Related product manuals