EasyManua.ls Logo

Acer P7290 - Image, Color, and Display Adjustments

Acer P7290
62 pages
Print Icon
To Next Page IconTo Next Page
To Next Page IconTo Next Page
To Previous Page IconTo Previous Page
To Previous Page IconTo Previous Page
Loading...
8
English
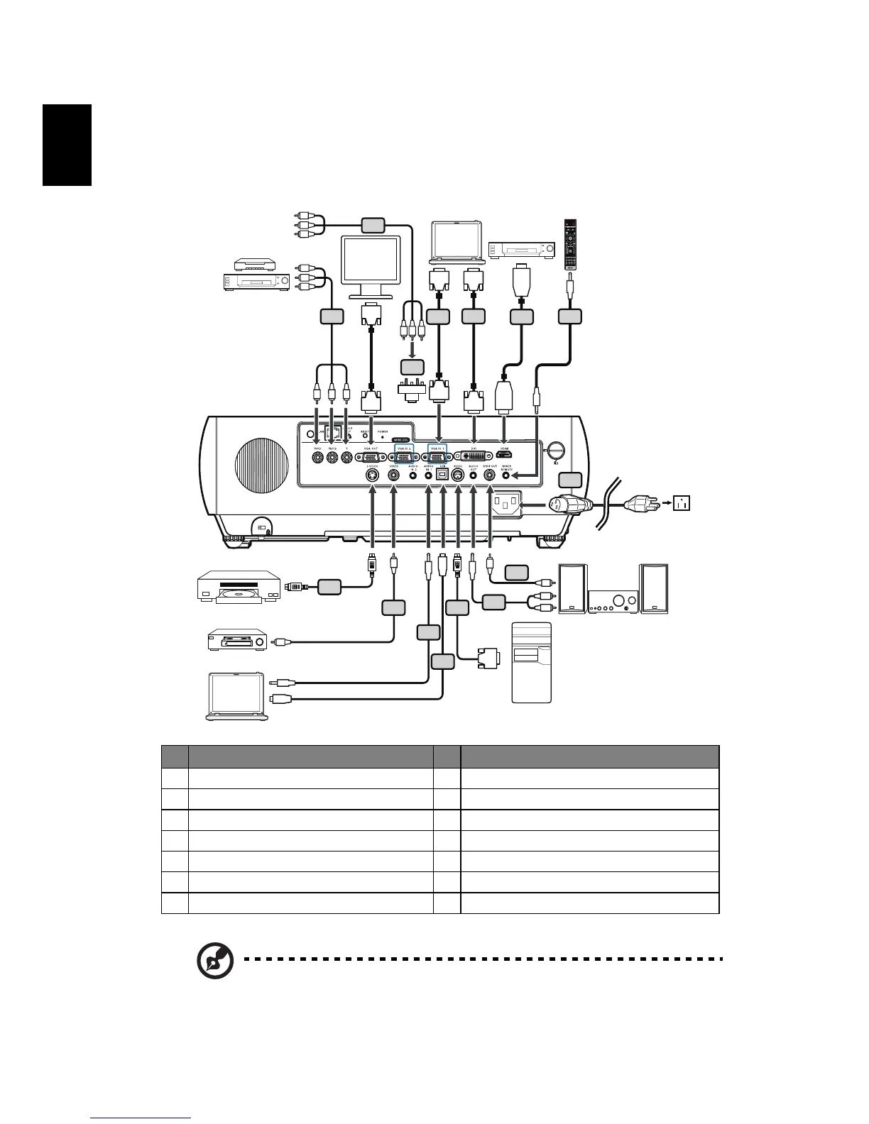
Getting Started
Connecting the Projector
Note: To ensure the projector works well with your computer,
please make sure the timing of the display mode is compatible
with the projector.
# Description # Description
1Power cord 8DVI cable
2 VGA cable 9 HDMI cable
3 Composite video cable 10 3 RCA component cable
4USB cable 11RS232 cable
5 VGA to component/HDTV adapter 12 Audio cable Jack/RCA
6S-Video cable 13SPDIF cable
7 Audio cable jack/jack 14 Audio cable Jack for wired remote
S-Video Output
RS232
DVD player,
Set-top Box,
HDTV receiver
DVD player
VGA, DVI
Video Output
Wired Remote
DVI-D
DVI-D
Y
Y
RBG
RBG
HDTV adapter
D-Sub
D-Sub
R
W
RS232
D-Sub
D-Sub
HDMI
HDMI
USB
USB
RBG
RBG
B
B
1
2
3
4
5
6
7
11
8
9
12
13
14
10
10

Other manuals for Acer P7290

Related product manuals