EasyManua.ls Logo

AiRide Firestone - Page 4

AiRide Firestone
28 pages
Print Icon
To Next Page IconTo Next Page
To Next Page IconTo Next Page
To Previous Page IconTo Previous Page
To Previous Page IconTo Previous Page
Loading...
3 firestoneairide.com
CONTENTS AND OVERVIEW
PAGE
4
PLANNING THE
INSTALL
PAGE
5
PREPARE THE AIR
COMPRESSOR
PAGE
6
DRILL HOLES FOR
AIR COMPRESSOR
AND ECU
PAGE
7
INSTALL THE
AIR COMPRESSOR
AND ECU
PAGE
8
INSTALL THE
AIR TUBING
PAGE
9
INSTALL THE
WIRE HARNESS
PAGE
10
INSTALL THE
AIR FILTER AND
CLEAN UP
PAGE
11
ECU POWER UP/
APP PERFORMANCE
PAGE
13
USING THE
AIR COMMAND
DUAL APP
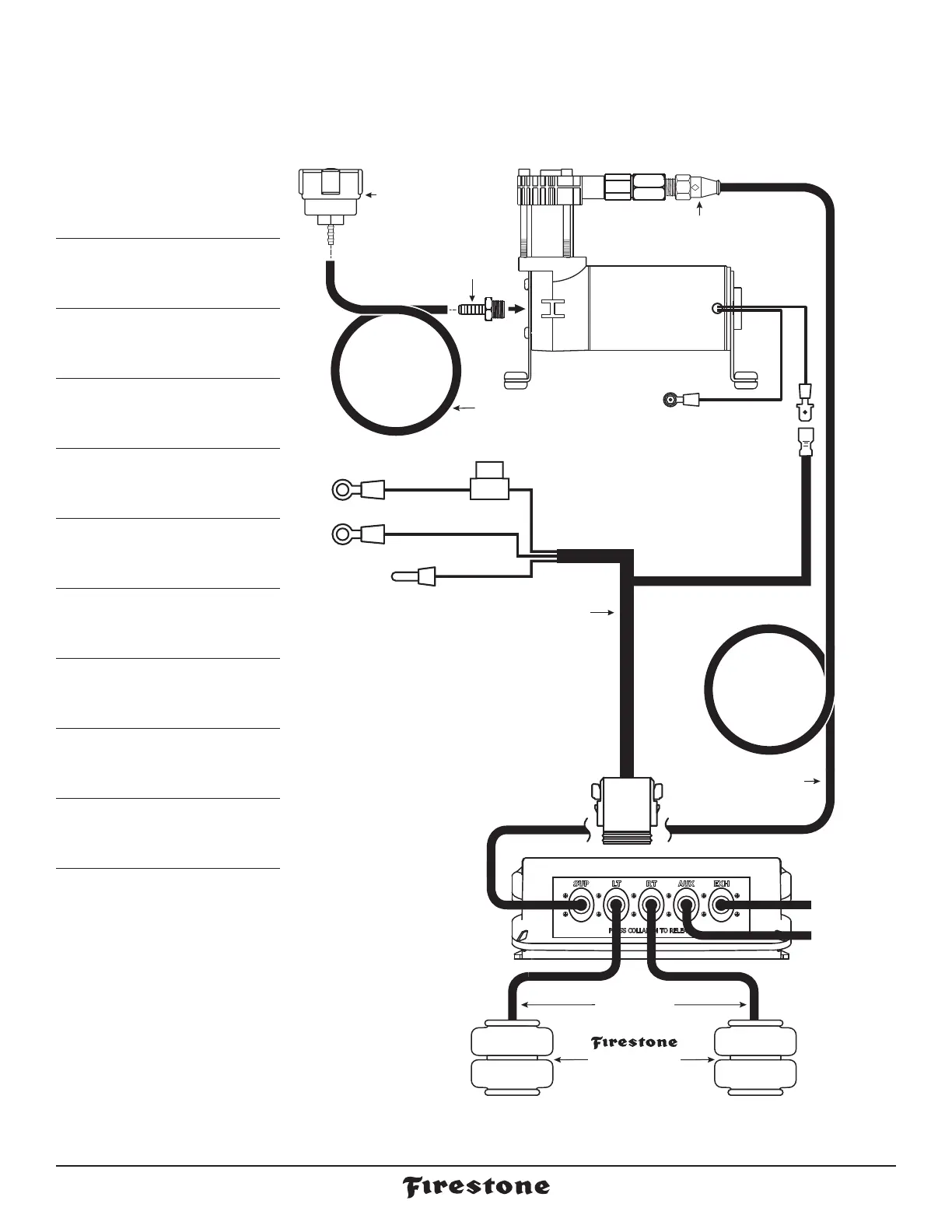
* As a water/debris
trap. See page 4.
Create
loop in Air
Tubing.
AIR FITTING
AIR FILTER
9961 ECU
AIR SPRINGS
(sold separately)
3055 1/8 NPT PUSH-TO-CONNECT
STRAIGHT FITTING
AIR TUBING
AIR TUBING
BLACK
(GROUND)
RED (+)
30 AMP
IN-LINE FUSE
RED (+)
RED/WHITE
8-PIN ECU
CONNECTOR
(COMPRESSOR)
BATTERY (+)
YELLOW
(NOT USED)
LEFT AIR SPRING
(when facing forward)
RIGHT AIR SPRING
(when facing forward)
9962 WIRE
HARNESS
9523 AIR
COMPRESSOR
* As a water/debris
trap. See page 4.
Create
loop in Air
Tubing.
Route AUX
and EXH to
dry location.
BLACK (-)
BATTERY (-)
AIR TUBING
PAGE
15
TEST THE SYSTEM
PAGE
16
FIX AN AIR LEAK